Foram encontradas 544 questões.
A partir do Decreto n.º 23.196/1933 e do Decreto n.º 23.569/1933, julgue o item.
A pesquisa, a localização, a prospecção e a valorização de jazidas minerais são da competência do engenheiro-geógrafo ou do geógrafo.
Provas
Com base na Lei n.º 6.838/1980 e na Lei n.º 7.410/1985, julgue o item.
O exercício da atividade de técnico de segurança do trabalho dependerá de registro em Conselho Regional de Engenharia, Arquitetura e Agronomia.
Provas
Considerando as Resoluções CONFEA n.º 218/1973 e n.º 336/1989, julgue o item.
Compete ao engenheiro cartógrafo ou ao engenheiro geógrafo realizar levantamentos topográficos, locação de loteamentos, sistemas de saneamento, irrigação e drenagem e traçados de cidades e estradas.
Provas
A partir do Decreto n.º 23.196/1933 e do Decreto n.º 23.569/1933, julgue o item.
Não são atribuições dos engenheiros agrônomos a direção de serviços técnicos federais de genética agrícola, a produção de sementes e a fiscalização do comércio de sementes e plantas vivas.
Provas

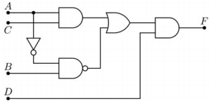
Acerca do circuito digital com entradas lógicas A, B, C e D mostrado acima e considerando que a notação X’ represente a negação da variável booleana X, julgue o item.
O circuito mostrado é classificado como sequencial por apresentar elementos de memória.
Provas

Acerca do circuito digital com entradas lógicas A, B, C e D mostrado acima e considerando que a notação X’ represente a negação da variável booleana X, julgue o item.
A saída do circuito pode ser descrita, na forma normal canônica conjuntiva, pela equação F = AD + B’D.
Provas

Acerca do circuito digital com entradas lógicas A, B, C e D mostrado acima e considerando que a notação X’ represente a negação da variável booleana X, julgue o item.
A saída F do circuito pode ser descrita pela equação F = D(A+B’).
Provas
No que se refere aos conceitos de eletrônica analógica, julgue o item.
Em um amplificador-fonte comum, o uso de uma resistência de degeneração de fonte causa diminuição do ganho do circuito.
Provas
No que se refere aos conceitos de eletrônica analógica, julgue o item.
Fontes de tensão chaveadas regulam a tensão e a corrente de saída, chaveando elementos de armazenamento de energia (capacitores e indutores). Apresentam a vantagem de serem mais eficientes e fisicamente mais compactas que as fontes de tensão lineares.
Provas
Julgue o item a respeito da teoria eletromagnética e de sistemas de comunicação.
Em um sistema de comunicação digital, o codificador de fonte é o módulo responsável por remover a redundância da mensagem, visando a otimizar a utilização de recursos do canal de comunicação.
Provas
Caderno Container