Foram encontradas 210 questões.


Provas

A figura acima ilustra um circuito alimentado por uma fonte de tensão alternada senoidal. O comportamento desse circuito, em termos de resposta em freqüência, corresponde a um filtro:
Provas
Os amplificadores transistorizados que utilizam TJB são divididos em classes, de acordo com a maneira de amplificação dos sinais senoidais. Com relação a essas classes, considere as afirmativas a seguir.
I - O classe A amplifica integralmente os dois semiciclos (positivo e negativo).
II - O classe B amplifica um pulso simétrico, formado por parte de um semiciclo, e cuja duração é maior do que meio período da senóide.
III - O classe C amplifica um pulso simétrico, com apenas parte de um semiciclo, e cuja duração é menor do que meio período da senóide.
É(São) verdadeira(s) apenas a(s) afirmativa(s):
Provas

O sistema trifásico acima é composto por uma fonte simétrica na seqüência ABC e uma carga equilibrada, cujo valor da impedância conectada à fase A é de 10 ohms com ângulo de 10º.Sabendo-se que a ddp entre as fases B e C é igual a 220
volts de pico com ângulo de 30º,a corrente eficaz
, em ampères, é:
Provas

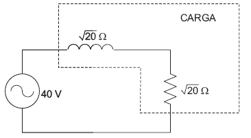
O esquema acima apresenta um circuito com uma fonte de tensão alternada senoidal de 40V eficazes, e uma carga composta por uma associação RL série. A potência ativa solicitada, em W, é de:
Provas
Um determinado circuito é formado por um resistor alimentado por uma fonte de corrente contínua. Nestas condições, quando percorrido por uma corrente
, a potência elétrica dissipada por esse resistor é igual a
. Numa outra situação, este mesmo resistor é desconectado da fonte de corrente contínua e conectado a uma fonte de corrente alternada senoidal. O valor de pico da corrente elétrica neste novo circuito é ajustado até se tornar igual a
. A potência elétrica dissipada no resistor nessas condições será igual a:
Provas

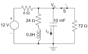
A figura acima ilustra um circuito alimentado por uma fonte de tensão contínua de 12 V. O circuito encontra-se operando em regime permanente com a chave S fechada. Em determinado instante, abre-se a chave S. Imediatamente após a abertura da chave, os valores da tensão VC, em volts, e da corrente IC, em ampères, são, respectivamente:
Provas
Considere a função booleana das variáveis A, B e C dada por:
![]()
A expressão mais simplificada para X é:
Provas

A figura acima ilustra um circuito que representa o modelo para pequenos sinais de um estágio transistorizado. A parte tracejada corresponde ao modelo híbrido equivalente completo do transistor. Os parâmetros hi, ho, hf e hr estão, respectivamente, nas seguintes unidades: ohms, siemens, adimensional e adimensional. A expressão correspondente ao ganho de tensão![]()
Provas
O valor da capacitância de um capacitor de placas paralelas
Provas
Caderno Container