Foram encontradas 366 questões.
Atente ao que se diz a seguir sobre os
compressores de deslocamento positivo, suas
características, propriedades e aplicabilidades, e
assinale com V o que for verdadeiro e com F o que
for falso.
( ) Compressores de pistão podem ser de simples ou duplo efeito. ( ) Compressores rotativos de palhetas são recomendados para operação em meios agressivos, como o transporte de gases contendo impurezas ou líquidos em suspensão. ( ) Compressores de parafuso possuem a necessidade de ter instalado, no seu corpo, válvulas de admissão e de descarga, além de uma válvula de retenção na tubulação de descarga. ( ) Compressores de diafragma são indicados para a obtenção de vácuo ou para a compressão de gases contendo impurezas.
Está correta, de cima para baixo, a seguinte sequência:
( ) Compressores de pistão podem ser de simples ou duplo efeito. ( ) Compressores rotativos de palhetas são recomendados para operação em meios agressivos, como o transporte de gases contendo impurezas ou líquidos em suspensão. ( ) Compressores de parafuso possuem a necessidade de ter instalado, no seu corpo, válvulas de admissão e de descarga, além de uma válvula de retenção na tubulação de descarga. ( ) Compressores de diafragma são indicados para a obtenção de vácuo ou para a compressão de gases contendo impurezas.
Está correta, de cima para baixo, a seguinte sequência:
Provas
Questão presente nas seguintes provas
No que diz respeito às boas práticas da
elaboração de projetos de climatização de ambientes
e ao dimensionamento de sistemas condicionadores
de ar, considere as seguintes afirmações:
I. No dimensionamento de sistemas de ar-condicionado, deverá ser considerado o somatório das cargas térmicas máximas de cada zona servida pelo mesmo condicionador de ar. II. A captação de ar exterior para a renovação do ar interior deverá ser realizada o mais distante possível de potenciais fontes de poluição, como entradas de garagens, estradas e depósitos de lixo. III. A carga térmica sensível está relacionada diretamente com a elevação da umidade relativa do ar do ambiente climatizado. IV. A carga térmica proveniente da envoltória externa dos ambientes depende da orientação solar das fachadas, devendo ser consideradas as propriedades térmicas dos materiais utilizados na sua construção.
Está correto o que se afirma em
I. No dimensionamento de sistemas de ar-condicionado, deverá ser considerado o somatório das cargas térmicas máximas de cada zona servida pelo mesmo condicionador de ar. II. A captação de ar exterior para a renovação do ar interior deverá ser realizada o mais distante possível de potenciais fontes de poluição, como entradas de garagens, estradas e depósitos de lixo. III. A carga térmica sensível está relacionada diretamente com a elevação da umidade relativa do ar do ambiente climatizado. IV. A carga térmica proveniente da envoltória externa dos ambientes depende da orientação solar das fachadas, devendo ser consideradas as propriedades térmicas dos materiais utilizados na sua construção.
Está correto o que se afirma em
Provas
Questão presente nas seguintes provas
Atente às figuras abaixo e ao que se diz a
seguir sobre os tipos de mancais de rolamento nelas
representados.
I. O rolamento W corresponde a um rolamento de esferas de carreira única de contato angular, que suporta tanto cargas radiais como cargas axiais nos dois sentidos. II. O rolamento X corresponde a um rolamento de esferas autocompensador, que permite um maior desalinhamento do eixo quando comparado aos rolamentos W, Y e Z. III. O rolamento Y corresponde a um rolamento de rolos cilíndricos de carreira única, que possui uma excelente capacidade de absorver carregamentos axiais nos dois sentidos. IV. O rolamento Z corresponde a um rolamento de rolos cônicos de carreira única, que são frequentemente usados como mancais de rodas em automóveis e caminhões.
Está correto o que se afirma em
I. O rolamento W corresponde a um rolamento de esferas de carreira única de contato angular, que suporta tanto cargas radiais como cargas axiais nos dois sentidos. II. O rolamento X corresponde a um rolamento de esferas autocompensador, que permite um maior desalinhamento do eixo quando comparado aos rolamentos W, Y e Z. III. O rolamento Y corresponde a um rolamento de rolos cilíndricos de carreira única, que possui uma excelente capacidade de absorver carregamentos axiais nos dois sentidos. IV. O rolamento Z corresponde a um rolamento de rolos cônicos de carreira única, que são frequentemente usados como mancais de rodas em automóveis e caminhões.
Está correto o que se afirma em
Provas
Questão presente nas seguintes provas
Considerando a NR-12 – Segurança no
Trabalho em Máquinas e Equipamentos – e seus
anexos, assinale a afirmação verdadeira.
Provas
Questão presente nas seguintes provas
Um refrigerador, localizado em um ambiente
que se encontra a 27 °C, mantém um compartimento
fechado e resfriado a -23 °C. Considerando que esse
refrigerador executa um ciclo de refrigeração
reversível, é correto afirmar que seu coeficiente de
desempenho é
Provas
Questão presente nas seguintes provas
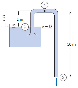
Atente à seguinte figura, onde se representa
um tubo em "U" que atua como um sifão de água.
Fonte: Introduction to Fluid Mechanics /
Fox and McDonald's - 8th Ed.
Observe que a curva do tubo fica a 2 m acima da superfície da água de um reservatório de grande capacidade, e a saída do tubo fica a 10 m abaixo da curva. A água sai na extremidade do sifão como um jato livre à pressão atmosférica. Considerando a água como um fluido incompressível, e um fluxo sem atrito e em regime permanente, pode-se afirmar corretamente que a velocidade do jato de água ao sair do tubo é
Fonte: Introduction to Fluid Mechanics /
Fox and McDonald's - 8th Ed. Observe que a curva do tubo fica a 2 m acima da superfície da água de um reservatório de grande capacidade, e a saída do tubo fica a 10 m abaixo da curva. A água sai na extremidade do sifão como um jato livre à pressão atmosférica. Considerando a água como um fluido incompressível, e um fluxo sem atrito e em regime permanente, pode-se afirmar corretamente que a velocidade do jato de água ao sair do tubo é
Provas
Questão presente nas seguintes provas
Um ciclo de potência ideal que trabalha usando
vapor d'água opera conforme o diagrama p x ʋ
apresentado na figura a seguir. Esse ciclo opera em
um sistema constituído por quatro componentes
ligados em série: turbina, condensador, bomba e
caldeira. Com base nessas informações, assinale com
V as afirmações verdadeiras, e com F as falsas.
Fonte: Fundamentals of engineering thermodynamics:
SI version / Michael J. Moran, Howard N. Shapiro. -- 5th ed.
( ) O processo 4-1 corresponde à passagem do fluido de trabalho através da caldeira, onde ocorre uma expansão isotérmica. ( ) No processo 1-2, o fluido de trabalho entra na turbina no estado de líquido saturado, onde irá passar por um processo de expansão adiabática. ( ) No processo 2-3, o fluido de trabalho, correspondente a uma mistura de líquido mais vapor, passa pelo condensador sofrendo uma compressão isotérmica. ( ) No processo 3-4, o fluido constituído apenas por vapor saturado entra na bomba passando por um processo de compressão adiabática até atingir o estado de líquido saturado.
Está correta, de cima para baixo, a seguinte sequência:
Fonte: Fundamentals of engineering thermodynamics:
SI version / Michael J. Moran, Howard N. Shapiro. -- 5th ed.
( ) O processo 4-1 corresponde à passagem do fluido de trabalho através da caldeira, onde ocorre uma expansão isotérmica. ( ) No processo 1-2, o fluido de trabalho entra na turbina no estado de líquido saturado, onde irá passar por um processo de expansão adiabática. ( ) No processo 2-3, o fluido de trabalho, correspondente a uma mistura de líquido mais vapor, passa pelo condensador sofrendo uma compressão isotérmica. ( ) No processo 3-4, o fluido constituído apenas por vapor saturado entra na bomba passando por um processo de compressão adiabática até atingir o estado de líquido saturado.
Está correta, de cima para baixo, a seguinte sequência:
Provas
Questão presente nas seguintes provas
O aparelho de ar condicionado tipo janeleiro
(ACJ) possui um sistema de funcionamento que é
classificado como um sistema de
Provas
Questão presente nas seguintes provas
Atente para o processo de usinagem, utilizado
para a fabricação do eixo com rosca na extremidade,
apresentado na figura a seguir.
Fonte: Springer Handbook of Mechanical Engineering (2008).
O processo de usinagem representado na figura acima é denominado
Fonte: Springer Handbook of Mechanical Engineering (2008).
O processo de usinagem representado na figura acima é denominado
Provas
Questão presente nas seguintes provas
Atente à seguinte figura, que representa um
manômetro diferencial, em que o fluido "A" é água,
"B" é óleo e o fluido manométrico é mercúrio.
Fonte: Mecânica dos Fluidos / Franco Brunetti - 2 Ed.
Considerando-se h1 = 30 cm, h2 = 120 cm, h3 = 70 cm e h4 = 5,0 cm, e os seguintes dados:
γágua = 10.000 N/m³; γmercúrio = 136.000 N/m³; e γóleo = 8.000 N/m³, pode-se afirmar corretamente que a diferença de pressão PA – PB é
Fonte: Mecânica dos Fluidos / Franco Brunetti - 2 Ed.
Considerando-se h1 = 30 cm, h2 = 120 cm, h3 = 70 cm e h4 = 5,0 cm, e os seguintes dados:
γágua = 10.000 N/m³; γmercúrio = 136.000 N/m³; e γóleo = 8.000 N/m³, pode-se afirmar corretamente que a diferença de pressão PA – PB é
Provas
Questão presente nas seguintes provas
Cadernos
Caderno Container