Foram encontradas 366 questões.
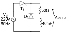
O valor da tensão média, em V, sobre a carga para um ângulo de disparo do SCR de 90º é, aproximadamente, igual a
Provas
- Conversores Analógicos Digitais (AD) e Digitais Analógicos (DAC)
- Eletrônica Digital na Engenharia Eletrônica
Atente ao que se diz a seguir sobre as características dos conversores CC-CC.
I. BUCK – a tensão média de saída é menor
que a tensão média de entrada, mas a
corrente média de entrada é maior que a
corrente média de saída. Na condução
contínua a tensão de saída VS pode ser
determinada pela relação:
, onde VE
é a tensão de entrada e D é a razão cíclica.
II. BOOST – é um conversor elevador de
tensão. A tensão de saída VS pode ser
determinada pela relação:
, onde
VE é a tensão de entrada e D é a razão
cíclica.
III. BUCK-BOOST – a tensão média de saída
pode ser maior, igual ou menor que a tensão
média de entrada. A tensão de saída VS pode
ser determinada pela relação:
, onde VE é a tensão de
entrada e D é a razão cíclica.
É correto o que se afirma em
Provas
Atente à figura a seguir.
Adote VBE=0,7 V e IE=IC.

Admitindo-se que a resistência do LDR seja igual a zero, o valor correto da tensão entre coletor e emissor do transistor Q2, VCE é
Provas
Considere o sistema de controle em malha fechada e a tabela de Routh-Hurwitz correspondente mostrados a seguir.

Considerando o sistema e a tabela apresentados acima, assinale a afirmação verdadeira.
Provas
Considere o circuito digital mostrado na figura a seguir.

Onde:
Te:Transporte de entrada.
Ts:Transporte de saída.
De acordo com a figura acima, pode-se afirmar corretamente que esse circuito digital é um
Provas
Provas
Provas
Provas
Provas
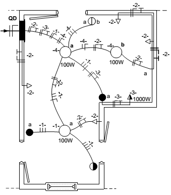
Analise o seguinte diagrama unifilar:

Considerando o diagrama unifilar acima, é correto afirmar que
Provas
Caderno Container