Foram encontradas 366 questões.
Segundo a NBR 6118, 15.8.2, os pilares devem ter índice de esbeltez menor ou igual a 200 (λ ≤ 200). Apenas no caso de postes com força normal menor que 0,10 fCD x AC, o índice de esbeltez pode ser maior que 200. O índice de esbeltez é a razão entre o comprimento de flambagem e o raio de giração, nas direções a serem consideradas. De acordo com o comprimento de flambagem, os pilares classificam-se como: curto, se λ < 35; medianamente esbelto, se 35<λ<90; esbelto, se 90<λ<140; e muito esbelto, se 140<λ<200. Observe atentamente os dados e a figura do pilar apresentados a seguir.
Fórmulas:
λ = le/i
λ é o índice de esbeltez.
le é o comprimento de flambagem.
i é o raio de giração.
i = √(I/A)
I é o momento de inércia da seção do pilar.
A é a área da seção.
E é o módulo de elasticidade para o concreto armado.
I = a4/12
I é o momento de inércia do pilar.
Valores:I = 520.833 cm4
E = 2,1 x 106 kgf/cm2
i = 14,43
Considere o pilar de seção quadrada da figura abaixo, com os seguintes dados:
a = 50 cm; L = 1200 cm; P = 1.750.000 kgf L = le

A carga crítica é dada pela fórmula:
PC = π2 .EI/L2
Observação: Pilar instável significa sujeito à flambagem.
Considerando o pilar pertencente a uma estrutura de
nós fixos, segundo o critério 15.6 da NBR 6118,
assinale a opção que apresenta corretamente seu
índice de esbeltez para le = L e sua carga crítica.
Provas
- Estruturas
- Resistência dos Materiais e Análise EstruturalEstruturas de Concreto
- Normas e Legislações
A durabilidade das estruturas é altamente dependente das características do concreto e da espessura e qualidade do concreto do cobrimento da armadura. Assim, no dimensionamento das seções de peças de concreto armado devem ser levadas em consideração as espessuras para cobrimento das armaduras principais, de modo a proteger a estrutura das intempéries dos diversos tipos de meio ambiente onde são construídas as estruturas. De acordo com os critérios da NBR 6118/ABNT e suas diversas atualizações, tem-se as seguintes classes de agressividade ambiental:

Assinale a opção em que a classificação de agressividade ambiental e o valor do dimensionamento do cobrimento das armaduras estão de acordo com a peça estrutural em concreto armado considerada.
Provas
Atente para os dados apresentados a seguir e o diagrama parábola retângulo da figura abaixo, que mostra a distribuição de esforços de tração e compressão de uma seção retangular de uma viga em concreto armado, dimensionada com armadura simples. Note que a tensão de compressão no concreto pode ser considerada constante (diagrama retangular) aplicando-se um coeficiente de redução igual a 0,85 na tensão de ruptura do concreto e outro igual a 0,8 na distância à linha neutra.

Dados:
LN é a linha neutra;
bW = 0,30 m – largura da seção da viga;
h = 0,60 m – altura da seção da viga;
d = 0,47 m – altura útil da seção da viga;
fcd = 200kgf/cm2 – tensão característica do concreto dividida pelo coeficiente 1,4;
Md = 70kgf.m – momento fletor de serviço da seção da viga.
A partir das equações de equilíbrio, sabe-se que:
(0,272.fcd.bW).X2 – (0,68.fcd.bW.d).X + Md = 0.
Então, a equação da posição da linha neutra é
Provas
Provas
Provas
- Auditoria de Obras PúblicasFundação
- Geotecnia
- Hidráulica e HidrologiaHidráulica na Engenharia Civil
- Escavações e Contenções
Em um canteiro de obras, necessita-se fazer o rebaixamento do lençol freático, de modo a permitir a execução de escavações para a construção de sapatas de fundação. Trata-se de uma areia siltosa de baixa permeabilidade. Atente à figura abaixo e aos dados que seguem.

Fórmulas:
Alcance do rebaixamento: R = 3.000.s. √(k)
Vazão de percolação:
Q = π.k(H2 – hD2)/(ln R – ln RA)
Vazão no poço de rebaixamento:
Q1 = 2.π.r.hW. √(k)/15
Dados:
Solo: areia siltosa
k = 10-4 m/s – coeficiente de permeabilidade;
s = 4,00 m – altura de rebaixamento no centro do canteiro;
H = 10,00 m – profundidade dos poços de rebaixamento;
hD = 5,50 m – profundidade da linha freática rebaixada no fundo da escavação;
hW = 4,00 m –profundidade da linha freática rebaixada no centro do poço ou nível dinâmico;
RA = 14,10 m – raio do círculo equivalente;
r = 0,10 m – raio do poço de rebaixamento;
A = 625,00 m2 – área do canteiro;
π = 3,14 – considerar este o valor de pi;
ln 120 = 4,78 – considerar o presente valor;
ln 14,10 = 2,64 – considerar o presente valor;
π.10-4 = 0,000314 – considerar o presente valor.
Considerando a figura e os dados listados acima, é correto afirmar que a vazão de percolação ao canteiro “Q” e a vazão em cada poço “Q1”, em m3/s, são respectivamente
Provas
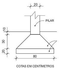
A distribuição de pressões sob a superfície de contato de fundações superficiais e o solo depende do maior ou menor grau de rigidez do elemento de fundação, do carregamento oriundo da edificação, tendo em vista a capacidade de carga do mesmo solo, do tipo de carregamento, ou seja, se pontual ou distribuído em superfície, da profundidade de assentamento, assim como do tipo de solo e sua estratificação. Tendo em vista a distribuição de pressões no solo, deseja-se calcular a rigidez de uma sapata isolada através do seu módulo de deformação, que é a relação entre o módulo de elasticidade do material da fundação e o módulo de rigidez do solo de assentamento.
SAPATA ISOLADA

Considerando os dados apresentados a seguir e a sapata da figura acima, calcule seu módulo de deformação K e classifique sua rigidez de acordo com o seguinte critério:
K = 0, para fundação flexível ou solo rijo;
K > 0,1, para fundação rígida ou módulo de rigidez do solo infinitamente pequeno;
0 < K < 0,1, para fundação e solo no regime elástico.
Dados:
Sapata quadrada;
d0 = 0,20 m – altura da base inferior;
b = 0,80 m – largura da base da sapata;
EC = 30.000 MN/m2 – módulo de elasticidade do concreto armado;
ES = 10 MN/m2 – módulo de rigidez do solo;
K é o módulo de deformação da fundação.
Fórmula:
K = (EC /12.ES).(d0/b)3
Considere o valor de (d0/b)3 até a terceira casa decimal.
Provas
Provas
Provas
Provas
Caderno Container