Foram encontradas 755 questões.
- Transformadores e Máquinas ElétricasMáquinas EstáticasTransformador de Potência
- Sistemas Elétricos de PotênciaTransmissão
Em sistemas elétricos de potência caracterizados por níveis de
tensão nominais muito elevados, a utilização de transformador de
potencial (TP) eletromagnético fica comprometida em função da
classe de isolação, o que requer um TP com dimensões e peso
muito diferente daqueles TPs para níveis menores de tensão.
Acerca desse assunto, julgue o item que se segue.
Em tensões muito elevadas, como em extra-alta tensão, é recomendado utilizar o dispositivo auxiliar denominado divisor capacitivo de potencial (DCP).tensão nominais muito elevados, a utilização de transformador de
potencial (TP) eletromagnético fica comprometida em função da
classe de isolação, o que requer um TP com dimensões e peso
muito diferente daqueles TPs para níveis menores de tensão.
Acerca desse assunto, julgue o item que se segue.
Provas
Questão presente nas seguintes provas

Um transformador monofásico, com potência
nominal igual a 10 kVA, 60 Hz e relação de transformação
100 V/1.000 V, foi submetido aos ensaios de curto-circuito e a
vazio, obtendo-se o circuito elétrico linear equivalente em baixas
frequências, com parâmetros referenciados ao lado de baixa
tensão, conforme mostrado na figura acima.
Considerando essas informações e que
a seguir.
Provas
Questão presente nas seguintes provas
Um motor de indução trifásico, com 6 polos, 60 Hz, é conectado
a uma rede de frequência compatível e opera sob condição de
carga na qual o escorregamento é igual a 0,02. Considerando essa
situação, julgue os itens que se seguem.
A frequência da corrente induzida no rotor é igual a 60 Hz.a uma rede de frequência compatível e opera sob condição de
carga na qual o escorregamento é igual a 0,02. Considerando essa
situação, julgue os itens que se seguem.
Provas
Questão presente nas seguintes provas

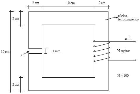
A figura acima mostra a estrutura e as ligações de um
circuito magnético, em que o material ferromagnético do núcleo
tem permeabilidade magnética relativa constante e igual a 1.000
e é formado por 100 espiras. Suponha que todos os trechos do
núcleo tenha seção reta igual a 4 cm2 e que a indução magnética
no interior e fora do entreferro sejam iguais. Uma corrente CC
com amplitude I excita a bobina de modo que a indução
magnética no entreferro é igual a 1,0 Wb/m2.
Considerando as informações acima, julgue os itens que se
seguem.
Provas
Questão presente nas seguintes provas

A figura acima mostra a estrutura e as ligações de um
circuito magnético, em que o material ferromagnético do núcleo
tem permeabilidade magnética relativa constante e igual a 1.000
e é formado por 100 espiras. Suponha que todos os trechos do
núcleo tenha seção reta igual a 4 cm2 e que a indução magnética
no interior e fora do entreferro sejam iguais. Uma corrente CC
com amplitude I excita a bobina de modo que a indução
magnética no entreferro é igual a 1,0 Wb/m2.
Considerando as informações acima, julgue os itens que se
seguem.
Provas
Questão presente nas seguintes provas
Considerando-se a fiscalização e o acompanhamento da aplicação
de recursos na execução de projeto executivo de obra pública por
parte de empresa contratada, é exemplo de irregularidade o(a)
consistência entre as medições atestadas pela fiscalização do órgão contratante e os valores efetivamente pagos.de recursos na execução de projeto executivo de obra pública por
parte de empresa contratada, é exemplo de irregularidade o(a)
Provas
Questão presente nas seguintes provas

A figura acima mostra a planta de parte de uma instalação elétrica
predial, na qual os elementos nos circuitos foram dimensionados
de acordo com normas pertinentes ao tipo de problema.
Com base na planta da instalação elétrica mostrada acima, julgue
os itens que se seguem.
Provas
Questão presente nas seguintes provas
- Instalações ElétricasEquipamentos em Baixa Tensão
- Instalações ElétricasEquipamentos em Média Tensão
- Sistemas Elétricos de PotênciaDistribuição de Energia Elétrica
Considerando um relé eletromecânico de sobrecorrente, julgue o
item seguinte.
Quando a corrente de curto-circuito ultrapassa a corrente de ajuste do sensor desse relé, ele poderá operar somente na forma instantânea. Havendo necessidade de atuação temporizada, é necessário instalar um relé diferencial em série com o sensor do relé de sobrecorrente.item seguinte.
Provas
Questão presente nas seguintes provas

Suponha que o circuito elétrico mostrado na figura acima é ligado
a partir do instante
contenha energia armazenada antes desse instante.
Com base nessas informações, julgue os itens que se seguem.
Provas
Questão presente nas seguintes provas

Um transformador monofásico, com potência
nominal igual a 10 kVA, 60 Hz e relação de transformação
100 V/1.000 V, foi submetido aos ensaios de curto-circuito e a
vazio, obtendo-se o circuito elétrico linear equivalente em baixas
frequências, com parâmetros referenciados ao lado de baixa
tensão, conforme mostrado na figura acima.
Considerando essas informações e que
a seguir.
Provas
Questão presente nas seguintes provas
Cadernos
Caderno Container