Foram encontradas 60 questões.
Provas
Provas
Considere as duas situações, abaixo, referentes a DPS − dispositivo de proteção contra surtos:
1. DPS ensaiado com onda de corrente nominal de descarga de 8/20 μs.
2. DPS ensaiado com onda de corrente de impulso de 10/350 μs. Para efeito de classificação, tratam-se de DPSs:
Provas
Provas
Considere a associação mista dos elementos capacitivos ideais, abaixo, onde C1 = C2 = C3 = 60μF e a fonte de E = 60 V.

A carga elétrica acumulada na capacitância equivalente é, em milicoulomb,
Provas
Não é incomum, durante medidas com o osciloscópio, encontrar distorções nos sinais como as apresentadas abaixo, à direita (overshoot ou undershoot).

Tais distorções podem ser corrigidas
Provas
Considere a montagem, abaixo, a qual expõe a disposição de vários instrumentos de medidas conectados a um motor monofásico 220 V.

Com os valores apresentados nos instrumentos, calcula-se
Provas
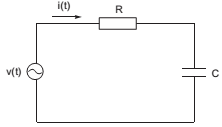
No circuito RC série, abaixo, a tensão fornecida pela fonte é dada por: v(t) = 311 sen 50t (V) e a corrente é i(t) = 14,1 sen (50t + π/3) (A)

Nas condições apresentadas, o valor do capacitor é, aproximadamente, em milifarad,
Provas
Considere o circuito abaixo em termos de potência.

As potências fornecidas pelas fontes totalizam, em watts,
Provas
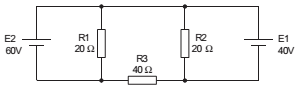
No circuito abaixo, E1 é uma fonte de tensão contínua, ajustável de zero a quarenta volts.

O valor de E1 que anula a corrente em R1, em volt, é
Provas
Caderno Container