Foram encontradas 60 questões.
Considere um fio condutor onde se verifica a corrente elétrica contínua constante de 10 Ampères.

A quantidade de elétrons que atravessa a seção transversal do referido condutor no intervalo de um segundo é, aproximadamente,
Provas
Refere-se a um circuito Provas
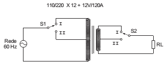
Considere o circuito abaixo:

Estando S1 na posição I e S2 na posição I com o primário do transformador alimentado por uma rede de 220 V / 60 Hz, a corrente no primário vale aproximadamente 66 mA; estando S1 na posição II e S2 na posição II com o primário do transformador alimentado por uma rede de 110 V / 60 Hz, a corrente no primário vale aproximadamente 33 mA. Nesse caso, a carga RL vale
Provas
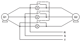
O esquema abaixo refere-se a um sistema com dois geradores trifásicos interligados, sendo o principal o G1 e o secundário o G2, com uma chave trifásica para interligar G2 à rede de transmissão e três lâmpadas indicadoras da condição dos geradores.

Estando a chave trifásica
Provas
Atenção: Para responder à questão, considere as informações abaixo.
Uma máquina para bobinar determinado tipo de cabo é controlada por um motor trifásico, conforme Figura I, cujo circuito de comando está apresentado na Figura II:

Provas
Atenção: Para responder à questão, considere as informações abaixo.
Uma máquina para bobinar determinado tipo de cabo é controlada por um motor trifásico, conforme Figura I, cujo circuito de comando está apresentado na Figura II:

Provas
Provas
Provas
Provas
Na fase de dimensionamentos de um circuito trifásico, sem neutro, de uma instalação elétrica predial, obteve-se os resultados abaixo.
− Método de instalação (NBR5410): 7 − método de referência B1 (condutores isolados em eletroduto de seção circular embutido em alvenaria).
− Número de condutores carregados: 3.
− Corrente de projeto corrigida: 22,8 A.
− Seção do condutor: 4 mm2
− Capacidade de condução de corrente: 28 A
Para a proteção contra sobrecarga deste circuito, o disjuntor mais adequado é o
Provas
Caderno Container