Foram encontradas 60 questões.
A morte e a morte do poeta
Ao ler o seu necrológio no jornal outro dia, o pianista Marcos Resende primeiro tratou de verificar que estava vivo, bem vivo. Em seguida gravou uma mensagem na sua secretária eletrônica: “Hoje é 27 e eu não morri. Não posso atender porque estou na outra linha dando a mesma explicação”. Quando li esta nota, me lembrei de como tudo neste mundo caminha cada vez mais depressa. Em 1862, chegou aqui a notícia da morte de Gonçalves Dias.
O poeta estava a bordo do Grand Condé havia cinquenta e cinco dias. O brigue chegou a Marselha com um morto a bordo. falta de lazareto, o navio estava obrigado à caceteação da quarentena. Gonçalves Dias tinha ido se tratar na Europa e logo se concluiu que era ele o morto. A notícia chegou ao Instituto Histórico durante uma sessão presidida por d. Pedro II. Suspensa a sessão, começaram as homenagens ao que era tido e havido como o maior poeta do Brasil.
Suspeitar que podia ser mentira? Impossível. O imperador, em pleno Instituto Histórico, só podia ser verdade. Ofícios fúnebres solenes foram celebrados na Corte e na província. Vinte e cinco nênias saíram publicadas de estalo. Joaquim Serra, Juvenal Galeno e Bernardo Guimarães debulharam lágrimas de esguicho, quentes e sinceras. O grande poeta! O grande amigo! Que trágica perda! As comunicações se arrastavam a passo de cágado. Mal se começava a aliviar o luto fechado, dois meses depois chegou o desmentido: morreu, uma vírgula! Vivinho da silva.
A carta vinha escrita pela mão do próprio poeta: “É mentira! Não morri, nem morro, nem hei de morrer nunca mais!” Entre exclamações, citou Horácio: “Não morrerei de todo.” Todavia, morreu, claro. E morreu num naufrágio, vejam a coincidência. Em 1864, trancado na sua cabine do Ville de Boulogne, à vista da costa do Maranhão. Seu corpo não foi encontrado. Terá sido devorado pelos tubarões. Mas o poeta, este de fato não morreu.
[...]
(Adaptado de: RESENDE, Otto Lara. Bom dia para nascer. São Paulo: Cia das Letras, 2011, p.107-8)
Provas
Já tive muitas capas e infinitos guarda-chuvas, mas acabei me cansando de tê-los e perdê-los; há anos vivo sem nenhum desses abrigos, e também, como toda gente, sem chapéu. Tenho apanhado muita chuva, dado muita corrida, me plantado debaixo de muita marquise, mas resistido.
Ontem, porém, choveu demais, e eu precisava ir a três pontos diferentes do bairro. Pedi ao moço de recados, quando veio apanhar a crônica para o jornal, que me comprasse um chapéu-de-chuva que não fosse vagabundo demais, mas também não muito caro. Ele me comprou um de pouco mais de trezentos cruzeiros.
Depois de cumprir meus afazeres voltei para casa, pendurei o guarda-chuva a um canto e me pus a contemplá-lo. Senti então uma certa simpatia por ele; meu velho rancor contra os guarda-chuvas cedeu a um estranho carinho, e eu mesmo fiquei curioso de saber qual a origem desse carinho.
Pensando bem, ele talvez derive do fato de ser o guarda-chuva o objeto do mundo moderno mais infenso a mudanças. Sou apenas um quarentão, e praticamente nenhum objeto de minha infância existe mais em sua forma primitiva.
O guarda-chuva tem resistido. Suas irmãs, as sombrinhas, já se entregaram aos piores desregramentos futuristas e tanto abusaram que até caíram de moda. Ele permaneceu austero, negro, com seu cabo e suas invariáveis varetas.
Reparem que é um dos engenhos mais curiosos que o homem já inventou; tem ao mesmo tempo algo de ridículo e algo de fúnebre, essa pequena barraca ambulante.
Já na minha infância era um objeto de ares antiquados, que parecia vindo de épocas remotas, e uma de suas características era ser muito usado em enterros. Por outro lado, esse grande acompanhador de defuntos sempre teve, apesar de seu feitio grave, o costume leviano de se perder, de sumir, de mudar de dono. Ele na verdade só é fiel a seus amigos cem por cento, que com ele saem todo dia, faça chuva ou sol, apesar dos motejos alheios; a estes, respeita. O freguês vulgar e ocasional, este o irrita, e ele se aproveita da primeira distração para sumir.
(Adaptado de: BRAGA, Rubem. Coisas antigas. In: 200 Crônicas escolhidas. 13. ed. Rio de Janeiro: Record, 1998, p.217-9)
Provas
Considere:
I. Receber intimação pessoal em qualquer processo e grau de jurisdição, contando-se-lhe em dobro os prazos.
II. Não ser preso, salvo em flagrante, caso em que a autoridade fará imediata comunicação ao Defensor Público-Geral.
III. Examinar, em qualquer repartição, autos de flagrante, inquérito e processos.
IV. Ser ouvido como testemunha, em qualquer processo ou procedimento, em dia, hora e local previamente ajustados com a autoridade competente.
Nos termos da Lei Complementar n° 84/94, é prerrogativa dos membros da Defensoria Pública do Estado o que consta APENAS em
Provas
Considere:
I. O mais antigo na carreira.
II. O mais antigo na categoria.
III. O mais idoso.
IV. A melhor classificação no concurso.
V. O maior tempo de serviço público.
No termos do Regimento Interno da Defensoria Pública do Estado de Roraima, caso haja empate na promoção por merecimento, dentro de cada categoria, os critérios de desempate devem ser examinados na seguinte ordem:
Provas
Provas
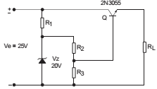
O circuito abaixo, onde R2 = R3, constitui um tipo de saída de potência de fonte de alimentação.

Em condições normais de operação do circuito, a tensão na carga RL é, aproximadamente, em volt,
Provas
O circuito abaixo mostra uma ponte H simplificada, usada para inverter a rotação de motor CC.

O elemento indicado pela seta é um componente semicondutor designado como
Provas
O mapa de Veitch/Karnaugh, que auxilia a simplificação da expressão Booleana:
, é
Provas
O circuito abaixo trata de um gerador de sequência, em anel, implementado com Flip Flop tipo D e porta lógica.

A sequência de loop, em numeração decimal, executada pelo gerador, é o que consta em
Provas
No filtro abaixo, composto por elementos RC ideais, na frequência de corte a tensão de saída do filtro representa aproximadamente 71% da tensão de entrada.

Nas condições citadas, o ganho de tensão do filtro é, em dB,
Provas
Caderno Container