Foram encontradas 60 questões.
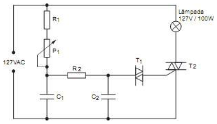
Considere o circuito de controle de potência de uma lâmpada e as afirmações abaixo.

I. R2 e C2 filtram ruídos da rede elétrica eliminando o efeito flicker (cintilhamento) nas lâmpadas. 
II. A potência máxima entregue à lâmpada é 50 W, visto que T2 só pode conduzir no semiciclo positivo da tensão da rede.
III. T1 e T2 são tiristores, sendo T1 um DIAC e T2 um TRIAC.
IV. Com P1 no valor mínimo tem-se a máxima potência que o circuito pode fornecer à lâmpada.
Está correto o que consta APENAS em
Provas
Questão presente nas seguintes provas
Uma instalação elétrica residencial previu um circuito bifásico de 220 V com carga instalada formada por três tomadas baixas de 100 VA cada e três tomadas médias de 600 VA cada. Para efeito de dimensionamento dos cabos da instalação pelo método da capacidade de condução de corrente, a corrente de projeto vale, em A, aproximadamente,
Provas
Questão presente nas seguintes provas
O conector utilizado para instalação de uma antena de TV com cabo coaxial de 75 Ω é o
Provas
Questão presente nas seguintes provas
Um motor elétrico de indução monofásico tem as seguintes especificações:
- potência nominal: 1,5 kW
- tensão nominal: 220 V
- rendimento: 90%
- fator de potência: 0,75
A corrente nominal vale, em A, aproximadamente,
- potência nominal: 1,5 kW
- tensão nominal: 220 V
- rendimento: 90%
- fator de potência: 0,75
A corrente nominal vale, em A, aproximadamente,
Provas
Questão presente nas seguintes provas
Considere o circuito abaixo.

Após um pulso na entrada START e, na sequência, dois pulsos no sinal de CLOCK, o estado lógico saídas Qa, Qb e Qc serão, respectivamente,
Provas
Questão presente nas seguintes provas
São apenas circuitos integrados de regulador de tensão comerciais:
Provas
Questão presente nas seguintes provas
A função estabelecida constitucionalmente à Defensoria Pública consiste em
Provas
Questão presente nas seguintes provas
Para produzir 60% de uma encomenda, os oito funcionários de uma empresa gastaram um total de 63 horas. Como dois ficaram doentes, os outros seis funcionários terão de produzir sozinhos os 40% restantes da encomenda. Considerando que todos eles trabalham no mesmo ritmo e executam as mesmas tarefas, pode-se estimar que o restante da encomenda será produzido em
Provas
Questão presente nas seguintes provas
Na 1ª fase de um campeonato, o percentual médio de acerto de um jogador de basquete nos lances livres foi de 80%. Até o final do terceiro quarto da primeira partida da 2ª fase, esse jogador acertou 10 dos 14 lances livres que executou, resultando em aproximadamente 71% de acerto. No último quarto, porém, o jogador se recuperou de modo que, ao final da partida, seu percentual de acerto de lances livres foi igual ao da 1ª fase. Sabendo que ele não errou lances livres no último quarto, pode-se concluir que, nesse período do jogo, ele executou e acertou exatamente
Provas
Questão presente nas seguintes provas
Ao ser questionado por seus alunos sobre a justiça da avaliação final de seu curso, um professor fez a seguinte afirmação: “Não é verdade que todos os alunos que estudaram foram reprovados”. Considerando verdadeira a afirmação do professor, pode-se concluir que, necessariamente,
Provas
Questão presente nas seguintes provas
Cadernos
Caderno Container