Foram encontradas 1.493 questões.
A respeito da decupagem e organização de material gravado, julgue os itens subsequentes.
O material já editado e exibido deve ser encaminhado para o editor, podendo seu conteúdo ser utilizado novamente.
Provas
Questão presente nas seguintes provas

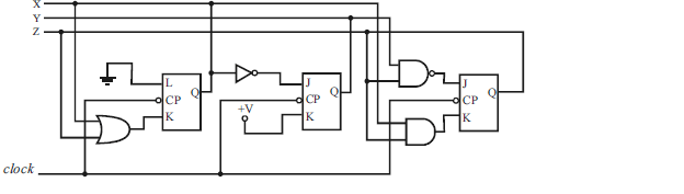
Acerca das saídas X, Y e Z do circuito lógico representado na figura acima, é correto afirmar que, se o estado presente dos flip-flops for
Provas
Questão presente nas seguintes provas
No que concerne à coordenação de equipes de coberturas ao vivo e de eventos, julgue os itens subsequentes.
Denomina-se delay o atraso de som nas transmissões via satélite.
Provas
Questão presente nas seguintes provas
Cadernos
Caderno Container