Foram encontradas 1.493 questões.
Acerca da concepção e composição artística do espaço em produtos audiovisuais, julgue os itens subsequentes.
Em filmes e programas de televisão, o espaço é mostrado, representado.
Provas
Acerca do pacote de aplicativos Office, da Microsoft, julgue os itens seguintes.
O aplicativo Access não permite adicionar, editar ou excluir registros de uma tabela, sem que seja definida uma chave primária.
Provas
Com relação ao processo de gravação musical e a aspectos a ele relacionados, julgue os itens a seguir.
A captação do som é realizada por microfone, equipamento provido de membrana flexível que vibra com o deslocamento do ar produzido pelo som, transformando-o em ondas eletromagnéticas. Essas ondas são transmitidas pelos cabos até o amplificador e deste até o alto-falante, que fará o processo inverso.
Provas
Com os recursos digitais disponíveis na atualidade é possível aplicar inúmeros efeitos ao áudio que estiver sendo gerado, masterizado, editado ou transmitido pela Internet ou via rádio. A esse respeito, julgue os itens a seguir.
Pelo processo de masterização, se transfere o sinal de áudio original que está gravado em vários canais para apenas os dois canais que são suportados pelos equipamentos estereofônicos de reprodução.
Provas

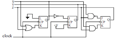
A respeito das saídas X, Y e Z do circuito lógico representado na figura acima, é correto afirmar que, se o estado presente dos flipflops for
X = 0, Y = 0 e Z = 0, após um ciclo completo do sinal de clock, o estado será X = 1, Y = 0 e Z = 1.
Provas

A respeito das saídas X, Y e Z do circuito lógico representado na figura acima, é correto afirmar que, se o estado presente dos flipflops for
X = 1, Y = 1 e Z = 0, após um ciclo completo do sinal de clock, o estado será X = 0, Y = 0 e Z = 1.
Provas
Com relação a ferramentas de hardware e software de edição de áudio e vídeo, julgue os próximos itens.
Compressão multi-frame é um tipo de compressão na qual cada quadro é comparado com o quadro anterior, e as modificações anotadas entre um e outro constituem a informação a ser digitalizada.
Provas
Com relação a ferramentas de hardware e software de edição de áudio e vídeo, julgue os próximos itens.
No momento em que o editor de imagens insere clipes no timeline, o timecode (TC), considerado a representação visual do conteúdo de um vídeo, define os pontos iniciais e finais de uma sequência.
Provas
A respeito de câmeras de vídeo e seus acessórios, julgue os itens seguintes.
O filtro polarizador é utilizado para eliminar reflexos de luz rebatida nas câmeras de vídeo, provindos de vidros, espelhos, papéis e substâncias como a água. Para se obter uma iluminação mais diluída, com menor definição de sombra, devem-se empregar filtros polarizadores difusores, porque, nestes, as sombras são atenuadas e as formas ganham mais profundidade e volume.
Provas
Disciplina: Segurança e Saúde no Trabalho (SST)
Banca: CESPE / CEBRASPE
Orgão: EBC
As empresas privadas e públicas e os órgãos públicos da administração direta e indireta que possuam empregados regidos pela Consolidação das Leis do Trabalho (CLT) devem constituir SESMTs, consoante critérios explicitados em NR do MTE. Acerca desse assunto, julgue os itens de 80 a 85.
Se, em uma obra de construção civil que apresente grave e iminente risco de acidente, um técnico de segurança do trabalho, diante das evidências, embargar a obra, esse técnico estará adotando procedimento que consta entre suas atribuições profissionais.
Provas
Caderno Container