Foram encontradas 278 questões.
CProvas
- Álgebra Booleana e Circuitos Lógicos
- Contadores em Engenharia Eletrônica
- Eletrônica Digital na Engenharia Eletrônica
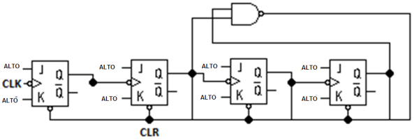
Na figura a seguir, é exposto um contador formado por flip-flops JK e uma porta NAND. A frequência do
clock que alimenta o circuito é igual a 160 Hz. Assinale a alternativa correta a respeito desse contador.

Provas
Sobre CPLD’s e VHDL, assinale a alternativa INCORRETA.
Obs:
VHDL = VHSIC Hardware Description Language (Linguagem de descrição de hardware VHSIC).
VHSIC = Very High Speed Integrated Circuits (circuito integrado de velocidade muito alta).
FPGA = Field Programmable Gate Array (Arranjo de Portas Programável em Campo).
CPLD = Complex Programmable Logic Device (Dispositivo Lógico Complexo Programável).
Provas
Considerando o gráfico a seguir como o valor de Vs(t), qual é o valor de Vo do circuito no domínio da frequência?

Provas
Os teoremas de Thevenin e Norton são ferramentas indispensáveis para simplificar circuitos elétricos. Para o circuito a seguir, determine qual é o valor da carga resistiva, para que o circuito não ultrapasse uma corrente na carga de 2 A.

Provas
Provas
Provas
Provas
Caderno Container