Foram encontradas 50 questões.
Para o circuito da figura seguir, considerando \( I_2 = -4 + 2j A \) e todas as fontes de tensão alternadas e com ângulos nulos, assinale a alternativa que corresponde à corrente \( I_1 \) que atravessa o indutor.

Provas
Em um sorteio, a probabilidade de uma pessoa ganhar uma bola Azul, Laranja, Preta, Branca, Vermelha é, respectivamente, P(A) = 0,09, P(L) = 0,15, P(P) = 0,21, P(B) = 0,23, P(V) = 0,02.
Considerando esses eventos mutuamente excludentes, assinale a alternativa que corresponde à probabilidade de uma pessoa NÃO ganhar uma bola de qualquer dessas cores.
Provas
Assinale a alternativa que corresponde à linha da tabela que equivale à representação em código Gray (de três bits) do número três em decimal.
Provas
A figura a seguir representa um gerador com sequência de fase ABC e conectado em Y. Assinale a alternativa que corresponde às correntes de linha \( I_{an}, I_{bn} \ e \ I_{cn} \).
(Considere \( tan -1{ \large 4 \over 3} = 53,13° \), \( tan -1{ \large 3 \over 4} = 36,87° \), \( tan -1{ \large 7 \over 4} = 60,25° \), \( tan -1{ \large 4 \over 7} = 29,74° \).)

Provas
A álgebra de Boole tem vários postulados, propriedades, teoremas e identidades que auxiliam na simplificação de circuitos lógicos digitais. Neste contexto, analise as assertivas a seguir e assinale a alternativa que aponta as corretas.
I. \( (\overline {A ⋅ B}) = \overline {A} + \overline {B} \)
II. \( (\overline {A + B}) = \overline {A} ⋅ \overline {B} \)
III. \( A + \overline {A} ⋅ B = A + B \)
IV. \( (A + B) ⋅ (A + C) = A + B + C \)
Provas
As pessoas, os animais e os bens devem ser protegidos contra os efeitos negativos resultantes de sistemas elétricos. Por isso, as normas definem diversos níveis de proteção para sistemas deste tipo. Neste contexto, informe se é verdadeiro (V) ou falso (F) o que se afirma a seguir e assinale a alternativa com a sequência correta.
( ) Proteção Básica é o meio destinado a impedir contato com partes vivas perigosas em condições normais.
( ) Proteção Supletiva é destinada a suprir a proteção contra choques elétricos quando massas ou partes condutivas acessíveis tornam-se acidentalmente vivas.
( ) Proteção Adicional é aquela contra choques elétricos em situações de anulação das medidas normalmente aplicáveis ou de dificuldade no atendimento pleno das condições de segurança associadas à determinada medida de proteção.
( ) Equipotencialização permite desligar um circuito sempre que seja detectada uma corrente de fuga superior ao valor nominal. A corrente de fuga é avaliada pela soma vetorial das correntes nos condutores monitorizados.
( ) O dispositivo de proteção à corrente diferencial-residual é usado na proteção contra choques elétricos e na proteção contra sobretensões e perturbações eletromagnéticas. É baseado na interligação de elementos com o objetivo de deixá-los com a mesma capacidade de atrair ou repelir outras cargas elétricas.
Provas
Considere uma memória de 4 MX64, ou seja, uma memória com posições de 64 bits. Dado que 1 kbytes = 1024 bytes, assinale a alternativa que corresponde a faixa de endereços dessa memória em hexadecimal.
Provas
No circuito da figura a seguir, considerando as fontes de tensão contínuas, assinale a alternativa que corresponde à potência dissipada no resistor de 100 ohms.

Provas
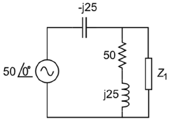
Dado o circuito a seguir, considerando todos os valores das fontes de tensão dados em volts e todas as impedâncias dadas em ohms, assinale a alternativa que corresponde à corrente que atravessa a carga \( Z_1 = 12,5 - j25 \).

Provas
Considere um condutor de cobre de área transversal \( A = 33,723 mm^2 \) e comprimento de \( L = 100 m \). Sabendo que o cobre tem resistividade de \( ρ = 1,1241 \ μ \Omega cm^2/cm \), assinale a alternativa que corresponde a resistência elétrica do referido condutor.
Provas
Caderno Container