Foram encontradas 50 questões.
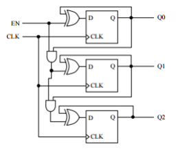
- Álgebra Booleana e Circuitos Lógicos
- Contadores em Engenharia Eletrônica
- Eletrônica Digital na Engenharia Eletrônica

Provas
A operação de números puros a seguir resulta no indicado na alternativa:
[ (371)8 + (12A)16 + (45)10 + (100110)2 ]
Provas
Utilize o enunciado a seguir para responder a questão. O experimento consiste na análise de parâmetros de um transformador abaixador de tensão que tem em sua montagem a razão de espiras de 35.000 para 350. Seu primário se encontra ligado a uma linha de tensão de 22.000 V
Ainda com base no enunciado e na carga de 20 ohm
conectada no secundário, a corrente do primário e a
potência de saída valem aproximadamente o descrito
na alternativa:
Provas
( ) Calculada a resistência equivalente do conjunto, esta será menor do que a menor das resistências dos resistores da montagem. ( ) A potência elétrica dissipada é maior no resistor de menor resistência. ( ) A corrente elétrica que atravessa o resistor de maior resistência será maior que as demais.
Assinale a alternativa que apresenta a sequência correta de cima para baixo.
Provas

Provas
Respondas a questão com base no enunciado a seguir.
Assinale a alternativa que contempla o valor de pico da
voltagem da onda refletida.
Provas
Utilize o enunciado e o desenho a seguir para responder a questão. Você está numa bancada avaliando uma instalação elétrica, a qual representa um conjunto de transformadores do desenho a seguir. Em medição feita no secundário, constatou-se que a tensão de linha é de 380 volts. A razão de espiras dos transformadores é de 4 para 1. Sabe-se ainda que a corrente em cada linha do secundário vale 48 A.

Provas
Utilize o enunciado e o desenho a seguir para responder a questão. Você está numa bancada avaliando uma instalação elétrica, a qual representa um conjunto de transformadores do desenho a seguir. Em medição feita no secundário, constatou-se que a tensão de linha é de 380 volts. A razão de espiras dos transformadores é de 4 para 1. Sabe-se ainda que a corrente em cada linha do secundário vale 48 A.

Provas
Utilize o enunciado a seguir para responder a questão. O experimento consiste na análise de parâmetros de um transformador abaixador de tensão que tem em sua montagem a razão de espiras de 35.000 para 350. Seu primário se encontra ligado a uma linha de tensão de 22.000 V
Você conecta ao secundário desse sistema uma carga resistiva de 20 ohm e, em seguida, mede a tensão e a corrente do secundário, que, se tudo tiver correto valem aproximadamente o que se descreve na alternativa:
Observação: Perdas no cobre desprezíveis.
Provas

( ) A impedância em pu da resistência de 300 Ω vista do lado B.T. (Transformador B) vale aproximadamente 1,37 pu.
( ) A impedância em pu da resistência de 300 Ω vista do lado A.T. (Transformador B) vale aproximadamente 0,96 pu.
( ) A impedância em Ω da resistência de 300 Ω vista do lado A.T. (Transformador B) vale aproximadamente 848 Ω.
Provas
Caderno Container