Foram encontradas 50 questões.
Texto
Minhas
maturidade
Circunspecção, siso, prudência.
(Mario Prata)
É o que o homem pensa durante anos, enquanto envelhece. Já está perto dos 50 e a pergunta ainda martela. Um dia ele vai amadurecer.
Quando um homem descobre que não é necessário escovar os dentes com tanta rapidez, tenha certeza, ele virou um homem maduro. Só sendo mesmo muito imaturo para escovar os dentes com tanta pressa.
E o amarrar do sapato pode ser mais tranquilo, arrumando-se uma posição menos incômoda, acertando as pontas.
[...]
Não sente culpa de nada. Mas, se sente, sofre como nunca. Mas já é capaz de assistir à sessão da tarde sem a culpa a lhe desviar a atenção.
É um homem mais bonito, não resta a menor dúvida.
Homem maduro não bebe, vai à praia.
Não malha: a malhação denota toda a imaturidade de quem a faz. Curtir o corpo é ligeiramente imaturo.
Nada como a maturidade para perceber que os intelectuais de esquerda estão, finalmente, acabando. Restam uns cinco.
Sorri tranquilo quando pensa que a pressa é coisa daqueles imaturos.
O homem maduro gosta de mulheres imaturas. Fazer o quê?
Muda muito de opinião. Essa coisa de ter sempre a mesma opinião, ele já foi assim.
[...]
Se ninguém segurar, é capaz do homem maduro ficar com mania de apagar as luzes da casa.
O homem maduro faz palavras cruzadas!
Se você observar bem, ele começa a implicar com horários.
A maturidade faz com que ele não possa mais fazer algumas coisas. Se pega pensando: sou um homem maduro.
Um homem maduro não pode fazer ísso.
O homem maduro começa, pouco a pouco, a se irritar com as pessoas imaturas.
Depois de um tempo, percebe que está começando é a sentir inveja dos imaturos.
Será Que os imaturos são mais felizes?, pensa, enquanto começa a escovar os dentes depressa, mais depressa, mais depressa ainda.
O homem maduro é de uma imaturidade a toda prova. Meu Deus, o que será de nós, os maduros?
Provas
Minhas
maturidade
Circunspecção, siso, prudência.
(Mario Prata)
É o que o homem pensa durante anos, enquanto envelhece. Já está perto dos 50 e a pergunta ainda martela. Um dia ele vai amadurecer.
Quando um homem descobre que não é necessário escovar os dentes com tanta rapidez, tenha certeza, ele virou um homem maduro. Só sendo mesmo muito imaturo para escovar os dentes com tanta pressa.
E o amarrar do sapato pode ser mais tranquilo, arrumandose uma posição menos incômoda, acertando as pontas.
[...]
Não sente culpa de nada. Mas, se sente, sofre como nunca. Mas já é capaz de assistir à sessão da tarde sem a culpa a lhe desviar a atenção.
É um homem mais bonito, não resta a menor dúvida.
Homem maduro não bebe, vai à praia.
Não malha: a malhação denota toda a imaturidade de quem a faz. Curtir o corpo é ligeiramente imaturo.
Nada como a maturidade para perceber que os intelectuais de esquerda estão, fnalmente, acabando. Restam uns cinco.
Sorri tranquilo quando pensa que a pressa é coisa daqueles imaturos.
O homem maduro gosta de mulheres imaturas. Fazer o quê?
Muda muito de opinião. Essa coisa de ter sempre a mesma opinião, ele já foi assim.
[...]
Se ninguém segurar, é capaz do homem maduro fcar com mania de apagar as luzes da casa.
O homem maduro faz palavras cruzadas!
Se você observar bem, ele começa a implicar com horários.
A maturidade faz com que ele não possa mais fazer algumas coisas. Se pega pensando: sou um homem maduro. Um homem maduro não pode fazer isso.
O homem maduro começa, pouco a pouco, a se irritar com as pessoas imaturas.
Depois de um tempo, percebe que está começando é a sentir inveja dos imaturos.
Será que os imaturos são mais felizes?, pensa, enquanto começa a escovar os dentes depressa, mais depressa, mais depressa ainda.
O homem maduro é de uma imaturidade a toda prova.
Meu Deus, o que será de nós, os maduros?
Provas
Texto
Minhas
maturidade
Circunspecção, siso, prudência.
(Mario Prata)
É o que o homem pensa durante anos, enquanto envelhece. Já está perto dos 50 e a pergunta ainda martela. Um dia ele vai amadurecer
Quando um homem descobre que não é necessário escovar os dentes com tanta rapidez, tenha certeza, ele virou um homem maduro. Só sendo mesmo muito imaturo para escovar os dentes com tanta pressa.
E o amarrar do sapato pode ser mais tranquilo, arrumando-se uma posição menos incômoda, acertando as pontas.
[...]
Não sente culpa de nada. Mas, se sente, sofre como nunca. Mas já é capaz de assistir à sessão da tarde sem a culpa a lhe desviar a atenção.
É um homem mais bonito, não resta a menor dúvida.
Homem maduro não bebe, vai à praia.
Não malha: a malhação denota toda a imaturidade de quem a faz. Curtir o corpo é ligeiramente imaturo.
Nada como a maturidade para perceber que os intelectuais de esquerda estão, fnalmente, acabando. Restam uns cinco.
Sorri tranquilo quando pensa que a pressa é coisa daqueles imaturos.
O homem maduro gosta de mulheres imaturas. Fazer o quê?
Muda muito de opinião. Essa coisa de ter sempre a mesma opinião, ele já foi assim.
[...]
Se ninguém segurar, é capaz do homem maduro fcar com mania de apagar as luzes da casa.
O homem maduro faz palavras cruzadas!
Se você observar bem, ele começa a implicar com horários.
A maturidade faz com que ele não possa mais fazer algumas coisas. Se pega pensando: sou um homem maduro. Um homem maduro não pode fazer isso.
O homem maduro começa, pouco a pouco, a se irritar com as pessoas imaturas.
Depois de um tempo, percebe que está começando é a sentir inveja dos imaturos.
Será que os imaturos são mais felizes?, pensa, enquanto começa a escovar os dentes depressa, mais depressa, mais depressa ainda.
O homem maduro é de uma imaturidade a toda prova.
Meu Deus, o que será de nós, os maduros?
Provas
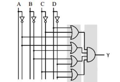
A função Y do circuito digital abaixo está corretamente descrita na alternativa:

Provas
Analise as afirmativas abaixo, dê valores Verdadeiro (V) ou Falso (F), tendo como base o tema motor de indução com rotor em gaiola.
( ) Alterando o número de polos do enrolamento do estator.
( ) Alterando a tensão aplicada ao estator.
( ) Alterando a resistência variável do circuito do rotor.
Assinale a alternativa que apresenta a sequência correta de cima para baixo.
Provas
Provas
Provas

Provas
Provas
Provas
Caderno Container