Foram encontradas 100 questões.
1412657
Ano: 2006
Disciplina: Engenharia de Telecomunicações
Banca: DIRENS Aeronáutica
Orgão: EEAr
Disciplina: Engenharia de Telecomunicações
Banca: DIRENS Aeronáutica
Orgão: EEAr
Provas:
Quando a amplitude de um sinal for muito alta, corre-se o risco de saturar os amplificadores de FI. Para evitar que o sinal de áudio demodulado não sofra alteração sensível de amplitude ou distorção de uma emissora para outra, torna-se necessária a ação de um circuito que atue no estágio de FI para regularizar o nível do sinal. Trata-se do .
Provas
Questão presente nas seguintes provas
Qual é o dispositivo semicondutor de junção p-n que sob condição de polarização reversa atua como capacitor variável?
Provas
Questão presente nas seguintes provas
Assinale a alternativa que completa corretamente a afirmação abaixo.
Uma carga elétrica em movimento devido a uma diferença de potencial provoca um campo elétrico variável nas suas vizinhanças. Se nas extremidades dessa carga causadora do campo elétrico existir uma outra carga elétrica, esta sentirá os efeitos do campo e movimentar-se-á segundo ele. Chamamos isso de “propagação” de um (a) .
Provas
Questão presente nas seguintes provas
A transmissão digital de uma informação entre um computador e seus periféricos de modo compatível e sincronizado é chamada de .
Provas
Questão presente nas seguintes provas
Observe:
E eu vos direi: “amai para entendê-las!”
Pois só quem ama pode ter ouvido
Capaz de ouvir e de entender estrelas.
Pois só quem ama pode ter ouvido
Capaz de ouvir e de entender estrelas.
A oração destacada, no verso acima, classifica-se como subordinada adverbial
Provas
Questão presente nas seguintes provas
Dado o circuito abaixo, determine a palavra digital (Vout0, Vout1, Vout2) na saída dos transistores para a seguinte configuração de entrada: Vin0 = 0V (Nível Lógico 0) e Vin1 = Vin2 = +5V (Nível Lógico 1).
Obs.: Valores das resistências em OHMS

Provas
Questão presente nas seguintes provas
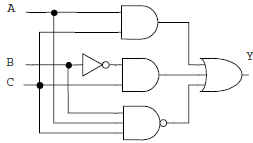
Qual é a expressão gerada pelo circuito lógico abaixo?

Provas
Questão presente nas seguintes provas
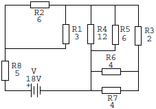
Determine a corrente total do circuito abaixo.

Obs.: Valores das resistências em OHMS.
Provas
Questão presente nas seguintes provas
O termo destacado classifica-se como adjunto adverbial em:
Provas
Questão presente nas seguintes provas
Preencha as lacunas abaixo e, em seguida, assinale a alternativa com a sequência correta.
Uma é um tipo de linguagem de programação de que nos permite descrever todas as características importantes de um sistema lógico de complexidade arbitrária.
Provas
Questão presente nas seguintes provas
Cadernos
Caderno Container