Foram encontradas 100 questões.
Um cristal puro de silício que foi dopado com uma impureza pentavalente é chamado de semicondutor tipo
Provas
Questão presente nas seguintes provas
Em qual alternativa o acento grave foi empregado corretamente?
Provas
Questão presente nas seguintes provas
Informe se é (V) verdadeiro ou (F) falso o que se afirma abaixo. Em seguida, assinale a alternativa que contém a sequência correta.
( ) O conjunto de todas as linhas de força do campo magnético que emergem do pólo sul do ímã é chamado de fluxo magnético.
( ) Todo o ímã tem dois pontos opostos que atraem prontamente pedaços de ferro.
( ) A permeabilidade se refere à capacidade do material magnético de concentrar o fluxo magnético.
( ) Qualquer material facilmente magnetizado tem alta permeabilidade.
( ) Todo o ímã tem dois pontos opostos que atraem prontamente pedaços de ferro.
( ) A permeabilidade se refere à capacidade do material magnético de concentrar o fluxo magnético.
( ) Qualquer material facilmente magnetizado tem alta permeabilidade.
Provas
Questão presente nas seguintes provas
Assinale a alternativa que apresenta a correta classificação da oração em negrito do seguinte período:
A chama de um amor que chegou ao fim jamais se acende novamente.
Provas
Questão presente nas seguintes provas
Em qual das alternativas o pronome destacado foi empregado incorretamente?
Provas
Questão presente nas seguintes provas
Marque a alternativa que completa corretamente a frase abaixo.
“Antes de dois geradores serem ligados em paralelo, é preciso que suas tensões nos terminais sejam , suas tensões estejam e suas frequências sejam .”
Provas
Questão presente nas seguintes provas
Leia:
“Os refugiados afegãos já são um terço de todos os expatriados miseráveis do mundo. O desafio humanitário para o Ocidente é monumental.”
(Veja, outubro de 2001, p. 41)
Os dois períodos acima poderiam ser unidos num único período explicitando-se o nexo entre eles pela seguinte conjunção coordenativa:
Provas
Questão presente nas seguintes provas
Assinale a alternativa que completa corretamente a lacuna da assertiva abaixo.
Os métodos mais usados na melhoria do fator de potência são os dos(as) e motores síncronos superexcitados.
Provas
Questão presente nas seguintes provas
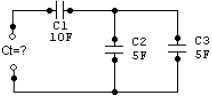
Calcule a capacitância total (CT) do circuito abaixo e, a seguir, assinale a alternativa correta.

Provas
Questão presente nas seguintes provas
Marque (V) para verdadeiro e (F) para falso. A seguir, assinale a alternativa que apresenta a sequência correta.
( ) fontes de tensão ideais produzem uma tensão de saída constante.
( ) fontes de corrente possuem uma resistência interna muito baixa.
( ) fontes de tensão possuem uma resistência interna muito alta.
( ) fontes de corrente ideais produzem uma corrente constante.
( ) fontes de corrente possuem uma resistência interna muito baixa.
( ) fontes de tensão possuem uma resistência interna muito alta.
( ) fontes de corrente ideais produzem uma corrente constante.
Provas
Questão presente nas seguintes provas
Cadernos
Caderno Container