Foram encontradas 100 questões.
Qual é a configuração do amplificador operacional da figura abaixo?

Provas
Questão presente nas seguintes provas
O material que possui níveis de condutividade entre os extremos de um material isolante e um condutor pode ser chamado de
Provas
Questão presente nas seguintes provas
Somando-se os números !$ 11010_2 !$ e !$ 73_8 !$ , o resultado, na base 10, será
Provas
Questão presente nas seguintes provas
Calcule a corrente e a tensão no primário de um transformador que tem 200 espiras no primário, 40 Volts no secundário, 5 Ampéres no secundário e uma relação de transformação igual a 10.
Provas
Questão presente nas seguintes provas
No sistema multiplex/demultiplex mostrado na figura, para S0=1 e S1=0, a saída ativada será:

Provas
Questão presente nas seguintes provas
Determine a freqüência da forma de onda mostrada na figura abaixo. Dado: a varredura horizontal do osciloscópio é igual a 5ms/cm.

Provas
Questão presente nas seguintes provas
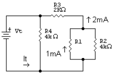
Calcule a corrente total (It) no circuito abaixo.

Provas
Questão presente nas seguintes provas
Como vejo o mundo
Minha condição humana me fascina. Conheço o limite de minha existência e ignoro por que estou nesta terra, mas às vezes o pressinto. Pela experiência cotidiana, concreta e intuitiva, eu me descubro vivo para alguns homens, porque o sorriso e a felicidade deles me condicionam inteiramente, mais ainda para outros que, por acaso, descobri terem emoções semelhantes às minhas.
E cada dia, milhares de vezes, sinto minha vida – corpo e alma – integralmente tributária do trabalho dos vivos e dos mortos. Gostaria de dar tanto quanto recebo e não paro de receber. Mas depois experimento o sentimento satisfeito de minha solidão e quase demonstro má consciência ao exigir ainda alguma coisa de outrem. Vejo os homens se diferenciarem pelas classes sociais e sei que nada as justifica a não ser pela violência. Sonho ser acessível e desejável para todos uma vida simples e natural, de corpo e de espírito.
Recuso-me a crer na liberdade e neste conceito filosófico. Eu não sou livre, e sim às vezes constrangido por pressões estranhas a mim, outras vezes por convicções íntimas. Ainda jovem, fiquei impressionado pela máxima de Schopenhauer: “O homem pode, é certo, fazer o que quer, mas não pode querer o que quer”; e hoje, diante do espetáculo aterrador das injustiças humanas, esta moral me tranqüiliza e me educa. Aprendo a tolerar aquilo que me faz sofrer. Suporto então melhor meu sentimento de responsabilidade. Ele já não me esmaga e deixo de me levar, a mim e aos outros, a sério demais. Vejo então o mundo com bom humor. Não posso me preocupar com o sentido ou a finalidade de minha existência, nem da dos outros, porque, do ponto de vista estritamente objetivo, é absurdo. E no entanto, como homem, alguns ideais dirigem minhas ações e orientam meus juízos. Porque jamais considerei o prazer e a felicidade como um fim em si e deixo este tipo de satisfação aos indivíduos reduzidos a instintos de grupo.
Albert Einstein
Ao expressar “Eu não sou livre”, o autor
Provas
Questão presente nas seguintes provas
Assinale a alternativa em que a forma da expressão poética está em concordância com as regras de pontuação.
Provas
Questão presente nas seguintes provas
Dado o circuito abaixo, calcule o tempo de permanência no estado quase estável (tp) do multivibrador monoestável típico.

Provas
Questão presente nas seguintes provas
Cadernos
Caderno Container