Foram encontradas 100 questões.
Leia:
Sentimos dó sentinela, pois não chegou a tempo para o estouro champanha.
Assinale a alternativa que completa correta e respectivamente o período acima, levando em conta o gênero dos substantivos.
Provas
Questão presente nas seguintes provas
A relação entre o campo irradiado pela antena em uma determinada direção e o campo que seria irradiado por uma antena isotrópica que recebesse a mesma potência é chamado de
Provas
Questão presente nas seguintes provas
Assinale a alternativa na qual não ocorre erro de concordância verbal.
Provas
Questão presente nas seguintes provas
Qual o fator qualidade de uma bobina de 30 mH, com uma resistência interna de !$ 3 \Omega !$, trabalhando em uma freqüência de 50 Hz?
Provas
Questão presente nas seguintes provas
Uma corrente !$ ca !$ de 30mA com freqüência de 100Hz passa por um circuito que tem uma capacitância de !$ 10μF !$. Determine a queda de tensão no capacitor.
Provas
Questão presente nas seguintes provas
Leia:
“Se eu quiser falar com Deus,
Tenho que folgar os nós
Dos sapatos,
Das gravatas,
Dos desejos,
Dos receios.”
O termo destacado no texto acima classifica-se, sintaticamente, como
Provas
Questão presente nas seguintes provas
Assinale a alternativa incorreta quanto ao processo de formação da palavra.
Provas
Questão presente nas seguintes provas
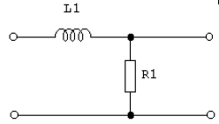
No circuito abaixo temos um filtro:

Provas
Questão presente nas seguintes provas
Marque a alternativa que traz a correta informação quanto aos sujeitos do texto abaixo.
Muitas desculpas pediu Joaquim, pois procuraram-no ontem à tarde e haviam encontrado portas fechadas e caladas.
Provas
Questão presente nas seguintes provas
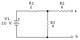
Calcule o equivalente de Norton, In e Rn, respectivamente, para o circuito abaixo, visto a partir dos terminais “a” e “b” e em seguida marque a alternativa correta.
Obs.: Os valores de resistência estão em OHMs.

Provas
Questão presente nas seguintes provas
Cadernos
Caderno Container