Foram encontradas 100 questões.
Qual é a resistência do fio de cobre n.º 36 de 125m de comprimento?
Dado: a área da secção reta do fio n.º 36 é 25,00CM; e !$ ρ= 34,1CM.\Omega/m !$.
Provas
Questão presente nas seguintes provas
Assinale a alternativa em que não se observa o correto emprego das regras ortográficas nos termos destacados.
Provas
Questão presente nas seguintes provas
Qual é o dispositivo abaixo que pode ser considerado uma memória?
Provas
Questão presente nas seguintes provas
Como vejo o mundo
Minha condição humana me fascina. Conheço o limite de minha existência e ignoro por que estou nesta terra, mas às vezes o pressinto. Pela experiência cotidiana, concreta e intuitiva, eu me descubro vivo para alguns homens, porque o sorriso e a felicidade deles me condicionam inteiramente, mais ainda para outros que, por acaso, descobri terem emoções semelhantes às minhas.
E cada dia, milhares de vezes, sinto minha vida – corpo e alma – integralmente tributária do trabalho dos vivos e dos mortos. Gostaria de dar tanto quanto recebo e não paro de receber. Mas depois experimento o sentimento satisfeito de minha solidão e quase demonstro má consciência ao exigir ainda alguma coisa de outrem. Vejo os homens se diferenciarem pelas classes sociais e sei que nada as justifica a não ser pela violência. Sonho ser acessível e desejável para todos uma vida simples e natural, de corpo e de espírito.
Recuso-me a crer na liberdade e neste conceito filosófico. Eu não sou livre, e sim às vezes constrangido por pressões estranhas a mim, outras vezes por convicções íntimas. Ainda jovem, fiquei impressionado pela máxima de Schopenhauer: “O homem pode, é certo, fazer o que quer, mas não pode querer o que quer”; e hoje, diante do espetáculo aterrador das injustiças humanas, esta moral me tranqüiliza e me educa. Aprendo a tolerar aquilo que me faz sofrer. Suporto então melhor meu sentimento de responsabilidade. Ele já não me esmaga e deixo de me levar, a mim e aos outros, a sério demais. Vejo então o mundo com bom humor. Não posso me preocupar com o sentido ou a finalidade de minha existência, nem da dos outros, porque, do ponto de vista estritamente objetivo, é absurdo. E no entanto, como homem, alguns ideais dirigem minhas ações e orientam meus juízos. Porque jamais considerei o prazer e a felicidade como um fim em si e deixo este tipo de satisfação aos indivíduos reduzidos a instintos de grupo.
Albert Einstein
“E cada dia, milhares de vezes, sinto minha vida – corpo e alma – integralmente tributária do trabalho dos vivos e dos mortos.”
Com relação ao trecho acima, é correto afirmar que o autor
Provas
Questão presente nas seguintes provas
Relacione a coluna da esquerda com a da direita e assinale a alternativa correta.

Provas
Questão presente nas seguintes provas
1373412
Ano: 2008
Disciplina: Engenharia de Telecomunicações
Banca: DIRENS Aeronáutica
Orgão: EEAr
Disciplina: Engenharia de Telecomunicações
Banca: DIRENS Aeronáutica
Orgão: EEAr
Provas:
Informe se falso (F) ou verdadeiro (V) o que se afirma sobre o circuito PLL abaixo e, em seguida, indique a opção com a seqüência correta.

( ) O detetor de fase é responsável pela comparação entre a freqüência do sinal de entrada e a freqüência do Vco.
( ) Na saída do amplificador, temos uma tensão responsável pela polarização do Vco.
( ) Se houver variação da freqüência do sinal de entrada, o Vco manterá o seu valor de freqüência.
Provas
Questão presente nas seguintes provas
Os emitem uma irradiação difusa de modo que os raios de luz penetram na fibra com diferentes ângulos de incidência; por esse motivo, utilizam-se fibras .
Provas
Questão presente nas seguintes provas
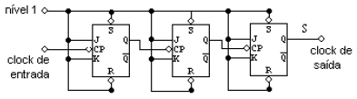
No circuito abaixo, quanto ao sinal de saída (S) é correto afirmar que

Provas
Questão presente nas seguintes provas
Calcule a corrente de coletor para o transistor do circuito abaixo, sabendo que !$ \beta = 120 !$.

Provas
Questão presente nas seguintes provas
No conversor digital/ analógico, mostrado na figura, qual o menor número BCD de entrada que provocará o acionamento da lâmpada?
Obs.:Todos os resistores estão em ohms.

Provas
Questão presente nas seguintes provas
Cadernos
Caderno Container