Foram encontradas 100 questões.
A figura abaixo representa um retificador .

Provas
Questão presente nas seguintes provas
Leia:
I- Foi anunciado ontem o aumento do álcool.
II- Anunciaram ontem o aumento do álcool.
III- Anunciou-se ontem o aumento do álcool.
II- Anunciaram ontem o aumento do álcool.
III- Anunciou-se ontem o aumento do álcool.
Com relação à voz dos verbos das frases acima, é correto afirmar que em
Provas
Questão presente nas seguintes provas
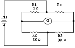
Na figura abaixo, qual deve ser o valor de RX para que a ponte de Wheastone esteja em equilíbrio?

Provas
Questão presente nas seguintes provas
Assinale a única alternativa em que o trecho em negrito não deve ser classificado como vocativo.
Provas
Questão presente nas seguintes provas
O número binário 1001 corresponde, nos códigos BCD e GRAY, respectivamente, a
Provas
Questão presente nas seguintes provas
Qual é a designação do circuito abaixo?

Provas
Questão presente nas seguintes provas
Qual é a potência dissipada por R2, em Watts, no circuito abaixo?
Obs.: os valores dos resistores estão em Ωs.

Provas
Questão presente nas seguintes provas
Coloque C (certo) ou E (errado) para a classificação das conjunções coordenativas destacadas e, a seguir, assinale a sequência correta.
( ) Choveu à noite, que o asfalto amanheceu molhado. (explicativa)
( ) Todas os dias ele sonha que sonha em morar no exterior. (alternativa)
( ) Ela não só escreveu a peça teatral, mas também fez parte do elenco. (aditiva)
( ) Todas os dias ele sonha que sonha em morar no exterior. (alternativa)
( ) Ela não só escreveu a peça teatral, mas também fez parte do elenco. (aditiva)
Provas
Questão presente nas seguintes provas
O diagrama de blocos abaixo mostra, de forma simplificada, as três etapas de processamento fundamentais de um sistema de transmissão PCM.
Assinale a alternativa que contém a sequência correta (da esquerda para a direita) dos nomes dos blocos.

Provas
Questão presente nas seguintes provas
No flip flop abaixo, a entrada clock (CLK) é ativada por

Provas
Questão presente nas seguintes provas
Cadernos
Caderno Container