Foram encontradas 100 questões.
Analise as figuras abaixo e assinale a alternativa correta quanto à fase dos sinais.
Provas
Questão presente nas seguintes provas
Qual o tipo de oscilador mostrado na figura abaixo e qual a fórmula para calcular sua frequência de oscilação?

Provas
Questão presente nas seguintes provas
Assinale a alternativa que apresenta o sinal de saída da porta lógica abaixo.

Provas
Questão presente nas seguintes provas
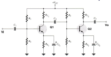
Assinale a alternativa que apresenta a fórmula para o ganho global (total) de tensão do sistema de amplificação abaixo.

Provas
Questão presente nas seguintes provas
Quanto ao tipo de predicado, coloque (1) verbo- nominal, (2) verbal e (3) nominal. A seguir, assinale a sequência correta.
( ) Os comportamentos das crianças foram julgados abomináveis.
( ) O presidente esteve entre a vida e a morte durante vários dias.
( ) A casa dos sete anões ficava atrás das colinas do bosque.
( ) O presidente esteve entre a vida e a morte durante vários dias.
( ) A casa dos sete anões ficava atrás das colinas do bosque.
Provas
Questão presente nas seguintes provas
Quais são os níveis lógicos na saída da porta abaixo, nos tempos t1 e t4 , respectivamente?

Provas
Questão presente nas seguintes provas
Leia:
Tantas você fez,
Que ela chorou,
Porque você, rapaz,
Abusou da regra três (...)
Que ela chorou,
Porque você, rapaz,
Abusou da regra três (...)
Das alternativas a seguir qual apresenta uma oração que recebe a mesma classificação da oração em negrito acima?
Provas
Questão presente nas seguintes provas
Analise as afirmações abaixo e assinale a alternativa correta.
1- Em sistemas síncronos, os momentos exatos em que uma saída qualquer pode mudar de estado, são determinados por um sinal normalmente denominado clock.
2- Em um flip flop J-K com clock, as entradas J e K controlam o estado lógico do FF da mesma forma que fazem as entradas S e R para um flip flop S-R com clock, exceto por uma importante diferença: a condição em que J = K = 1 não resulta em uma saída ambígua.
Provas
Questão presente nas seguintes provas
Assinale a alternativa que completa, correta e respectivamente, as lacunas do texto abaixo.
“A análise CA de um circuito que utiliza dispositivos FET requer o desenvolvimento de um modelo CA de pequeno sinal para o dispositivo. Um dos principais componentes do modelo CA reflete o fato de que uma aplicada aos terminais porta-fonte do dispositivo controla a entre os terminais dreno- fonte.
Provas
Questão presente nas seguintes provas
Leia:
Os urubus, aves por natureza becadas, mas sem grandes dotes para o canto, decidiram que, mesmo contra a natureza, eles haveriam de se tornar grandes cantores.
O termo sublinhado no texto acima exerce a função de
Provas
Questão presente nas seguintes provas
Cadernos
Caderno Container