Foram encontradas 100 questões.
Leia:
Uma das personalidades que voou no Mirage foi o piloto Ayrton Senna [...] O vôo teve bastante cobertura da imprensa, e os jornalistas perguntaram-lhe o que havia achado do vôo, e ele respondeu: “Se cada brasileiro tivesse a oportunidade de fazer esse vôo que eu fiz, com certeza teria mais amor à Pátria.”
É correto afirmar em relação ao emprego da(s) vírgula(s) que
Provas
Questão presente nas seguintes provas
Duas bobinas de choque são ligadas em série e colocadas próximas uma da outra de modo a se acoplarem através de uma indutância mútua. Qual o valor da indutância total considerando que as bobinas foram enroladas no mesmo sentido?
Dados: !$ L_1 = 8H\,\,\,L_2 = 12 H\,\,\,\,L_M = 6H !$
Provas
Questão presente nas seguintes provas
A figura abaixo mostra a curva característica típica do fotodiodo.

Provas
Questão presente nas seguintes provas
A figura abaixo apresenta o circuito equivalente de uma linha de transmissão. Qual o valor correto da impedância característica (Zo) dessa linha de transmissão?
Considere que os indutores possuem indutância L = 5 mH e que os capacitores possuem capacitância C = 1 μF.

Provas
Questão presente nas seguintes provas
Qual dos parâmetros híbridos abaixo é expresso em ohms?
Provas
Questão presente nas seguintes provas
Coloque (V) para verdadeiro e (F) para falso para as afirmações abaixo, e marque a alternativa com a sequência correta.
( ) Um circuito está em ressonância quando a reatância indutiva XL é igual à reatância capacitiva XC.
( ) Num circuito LC real em paralelo, a impedância ZT é máxima na frequência de ressonância.
( ) Um circuito RLC em série, operando numa freqüência abaixo da freqüência de ressonância, possui uma XC menor que XL.
( ) Num circuito LC real em paralelo, a impedância ZT é máxima na frequência de ressonância.
( ) Um circuito RLC em série, operando numa freqüência abaixo da freqüência de ressonância, possui uma XC menor que XL.
Provas
Questão presente nas seguintes provas
Coloque (V) para verdadeiro e (F) para falso. A seguir, assinale a alternativa que apresenta a sequência correta.
( ) Um diodo semicondutor é polarizado diretamente quando é estabelecida a associação do potencial positivo ao material tipo N e do negativo ao material tipo P.
( ) Na ausência de uma tensão de polarização, o fluxo de carga em um diodo semicondutor, em qualquer sentido, é máximo.
Provas
Questão presente nas seguintes provas
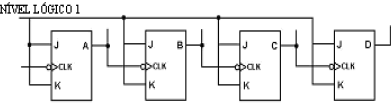
Analisando as afirmativas abaixo com base no circuito apresentado, pode-se afirmar que está(ão) correta(s).

I- O circuito é um contador assíncrono binário de quatro bits.
II- As saídas dos flip flops D, C, B e A representam um número binário de quatro bits, sendo A o MSB.
II- As saídas dos flip flops D, C, B e A representam um número binário de quatro bits, sendo A o MSB.
Provas
Questão presente nas seguintes provas
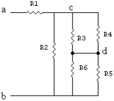
Calcule a resistência equivalente entre os pontos a e b do circuito abaixo:
Dados: !$ R1 = 10 \Omega; \,\,R2 = 8 \Omega;\,\,R3 = 20 \Omega;\,\,R4 = 5 \Omega;\,\,R5 = 20 \Omega;\,\,R6 = 5 \Omega !$

Provas
Questão presente nas seguintes provas
O plural de todos os substantivos está correto em:
Provas
Questão presente nas seguintes provas
Cadernos
Caderno Container