Foram encontradas 100 questões.
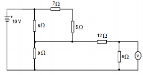
Considere o circuito abaixo.
Assinale a alternativa que apresenta o valor, em volts, da ddp indicada pelo voltímetro ideal.

Provas
Questão presente nas seguintes provas
Seja M(4, a) o ponto médio do segmento de extremidades A(3, 1) e B(b, 5). Assim, o valor de a + b é
Provas
Questão presente nas seguintes provas
When Irish Eyes Are Smiling?
Everyone wants to be Irish on March 17th, the party of the patron saint of Ireland.
But nowhere is this more fun than in Dublin, where anyone can put on a green hat and participate in Ireland’s biggest annual celebration.
A four-day event, the St. Patrick’s Festival attracts over 1.3 million people from around the world. Free events, including street theater and fireworks, are programmed around the city and are all accessible by foot.
(Adapted from Speak Up # 180)
GLOSSARY
Dublin – Capital da Irlanda
fireworks – fogos de artifício
According to the text,
Provas
Questão presente nas seguintes provas
Assinale a alternativa em que a vírgula foi empregada de maneira incorreta.
Provas
Questão presente nas seguintes provas
O número de valores inteiros de x para os quais se verifica a inequação x!$ ^2 !$ < 7x – 6 é
Provas
Questão presente nas seguintes provas
Num local sob ação da pressão atmosférica, um estudante equilibra os líquidos A e B, em alturas diferentes, sugando a parte do ar dentro dos canudinhos de refrigerantes, como está indicado na figura a seguir. Sabendo-se que a densidade do líquido B é 0,8 vezes a densidade do líquido A, podemos afirmar, corretamente, que

Provas
Questão presente nas seguintes provas
Sometimes we procrastinate doing something because we think that we will do a bad choice. If you feel nervous about a task, stop and think positive thoughts. Think about what you are good at. Think about times in the past when you have done something good. Positive thoughts make work easier.
(Adapted from Access Reading 2)
GLOSSARY
procrastinate – adiar
choice – escolha
task – tarefa
We can infer from the text that we sometimes procrastinate because we feel we are .
Provas
Questão presente nas seguintes provas

In “I’m just taking inventory”, Francis wants to say that he is
Provas
Questão presente nas seguintes provas
Em decoração de ambientes costuma-se dizer que o uso de espelhos planos e verticais dá às pessoas, a sensação de que o ambiente é ampliado. Conhecendo os princípios de formação de imagens em espelhos planos, pode se afirmar, corretamente, que essa sensação está relacionada à visualização de imagens a uma distância sempre a do objeto ao espelho plano.
Provas
Questão presente nas seguintes provas
A place of superlatives
Antarctica is a place of superlatives: it is the coldest, windiest, driest, highest and most remote continent on earth. The continent’s large mass of snow and ice contains around 85 percent of all freshwater in the world. The first tourists to reach it arrived in 1957.
Nowadays, the variety of Antarctica travel itineraries, activities and prices is wider than ever before.
(Adapted from Speak up # 149)
GLOSSARY
freshwater – água doce
to reach – chegar
travel itineraries – roteiros de viagem
wide – amplo
According to the text, all the alternatives are correct, except
Provas
Questão presente nas seguintes provas
Cadernos
Caderno Container