Foram encontradas 100 questões.
Assinale a alternativa que contém, na sequência, o pronome oblíquo átono devidamente colocado junto à forma verbal, conforme rege a norma culta da língua.
Quanto aos políticos corruptos, não meu voto, pois sempre de ter colocado no poder um governante que inocente quando há inúmeras provas contra ele.
Provas
Questão presente nas seguintes provas
Assinale a alternativa em que todas as palavras recebem acento gráfico devido ao mesmo princípio.
Provas
Questão presente nas seguintes provas
Sobre as lâmpadas dicroicas, assinale a alternativa incorreta.
Provas
Questão presente nas seguintes provas
Sabendo que a condutância total do circuito abaixo é igual a 1 siemens, calcule a potência dissipada em R1. Em seguida, assinale a alternativa correta.

Provas
Questão presente nas seguintes provas
Considerando as premissas relativas a transformadores, relacione as colunas e, em seguida, assinale a alternativa com a sequência correta.
(1) Produz o fluxo magnético e alimenta as perdas por histerese e por correntes parasitas no núcleo.
(2) São correntes induzidas que circulam no material do núcleo de um transformador resultando em perdas.
(3) Está atrasada em relação à tensão aplicada ao primário de 90°.
( ) Corrente de Foucault
( ) Corrente sem carga
( ) Corrente de magnetização
Provas
Questão presente nas seguintes provas
Um circuito com lâmpadas em série, puramente resistivas, foi ligado a uma fonte de tensão de 100 V. Calcule a quantidade de lâmpadas nesse circuito sabendo que a corrente consumida da fonte é de 6A e que as lâmpadas dissipam 5W individualmente. Em seguida, assinale a alternativa correta.
Provas
Questão presente nas seguintes provas
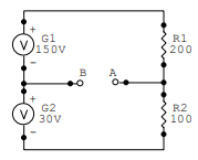
Utilize o princípio da superposição para calcular a tensão entre os terminais A e B do circuito abaixo. Em seguida, assinale a alternativa correta.

Provas
Questão presente nas seguintes provas
Sobre curvas de histerese, marque (V) verdadeira ou (F) falsa para cada afirmativa apresentada abaixo e assinale a alternativa que contém a sequência correta.
( ) É possível obter a retentividade do material, pois corresponde à densidade de fluxo residual quando a intensidade de campo é zero.
( ) É possível identificar a força coerciva, pois corresponde à força magnetizadora na qual a densidade de fluxo é considerada máxima.
( ) Quanto menor a área abrangida pela curva, menor é a perda de histerese.
Provas
Questão presente nas seguintes provas
Segundo a norma NBR 5410, da ABNT, para iluminação em cômodos ou dependências com área igual ou inferior a 6 m², deverá ser prevista uma carga de pelo menos
Provas
Questão presente nas seguintes provas
Calcule a corrente na base do transistor. Considere o transistor NPN ideal. Em seguida, assinale a alternativa correta.

Provas
Questão presente nas seguintes provas
Cadernos
Caderno Container