Foram encontradas 100 questões.
Sobre as lâmpadas fluorescentes compactas é incorreto afirmar que
Provas
Questão presente nas seguintes provas
Assinale a alternativa em que o termo destacado é objeto indireto.
Provas
Questão presente nas seguintes provas
Sobre o fator de potência, é correto afirmar que
Provas
Questão presente nas seguintes provas
Leia:
Nessas terras onde andei, o clima é hostil o ano todo. Por um tempo, abriguei-me numa casa cujas paredes eram feitas de madeira. Essa casa, que já servira de abrigo a viajantes em outros tempos, tinha um quê de mistério no ar.
Quantas orações subordinadas adjetivas há no texto acima?
Provas
Questão presente nas seguintes provas
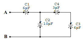
Calcule a capacitância equivalente total entre os pontos A e B do circuito representado na figura abaixo. Em seguida, assinale a alternativa correta.

Provas
Questão presente nas seguintes provas
Considere o circuito abaixo, em que a potência aparente da carga 1 corresponde à S1 = 2+j10 kVA e a potência aparente da carga 2 corresponde à S2 = 1-j6 kVA. Calcule o módulo da potência aparente total e, em seguida, assinale a alternativa correta.

Provas
Questão presente nas seguintes provas
Considerando a resistividade de 0,028!$ Ω !$ x mm² , calcule a resistência de um fio condutor de 2 km de extensão e de seção 2,8 mm² .
Provas
Questão presente nas seguintes provas
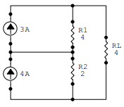
Calcule a corrente na carga RL. Em seguida, assinale a alternativa correta.

Provas
Questão presente nas seguintes provas
Otimismo
O otimismo é o vinho tinto das emoções. Uma ou duas taças por dia fazem um bem enorme. Duas garrafas arruínam a pessoa. A diferença do volume da bebida ilustra os dois tipos de otimismo, o racional, uma das conquistas evolutivas mais preciosas da espécie, e o irracional, a fonte de grandes tragédias históricas e fracassos pessoais. A média das mais amplas pesquisas já conduzidas sobre o tema revela que cerca de 80% das pessoas são otimistas. Essa é a parcela da humanidade capaz de enxergar o copo meio cheio. A outra parcela, a minoria, cuja mente vê o mesmo copo meio vazio, tem uma única vantagem sobre a maioria, pois, como diz o ditado, “o pessimista só tem boas surpresas”.
Os otimistas têm más surpresas e são capazes de assimilá-las e transformar o azedume em doce limonada. Eles vivem mais e têm maior resistência às doenças. Quando presos a um leito de hospital, são eles que têm maior chance de cura. Essas pessoas ousam mais, poupam mais e aposentam-se mais tarde. Se a consciência da morte torna o pessimismo inerente à condição humana, o instinto vital se alimenta do otimismo para que a ideia da finitude não nos enlouqueça.
As pessoas mais interessantes são os otimistas com os pés bem plantados no chão. São os arquitetos do futuro, que tomam uma ou mais taças diárias do vinho da ousadia. São as personalidades com um olho nas lições do passado e o outro nas questões do presente e nos desafios do futuro. São, ao mesmo tempo, raízes e asas. Ilusão e realidade.
(Revista Veja, 23 de janeiro de 2013 – texto adaptado)
Indique qual das palavras abaixo não resume a ideia contida no trecho em destaque:
Uma ou duas taças por dia fazem um bem enorme. Duas garrafas arruínam a pessoa.
Provas
Questão presente nas seguintes provas
Ao se passar condutores no interior de um eletroduto, deve-se prever uma folga com o objetivo de retirar facilmente algum condutor excedente ou danificado. No caso de se passar 3 (três) ou mais condutores ou cabos, a taxa máxima de ocupação em relação à área da seção transversal desse eletroduto deve ser de
Provas
Questão presente nas seguintes provas
Cadernos
Caderno Container