Foram encontradas 100 questões.
Qual o valor de !$ I_B !$ no circuito abaixo?

Provas
Questão presente nas seguintes provas
Atente para o emprego dos pronomes nas frases abaixo.
I- Eu sempre quis agradecê-lo a amizade sincera.
II - Filho, nós lhe amamos imensamente.
III- As pessoas querem preveni-la do perigo.
O pronome está corretamente empregado em
Provas
Questão presente nas seguintes provas
Otimismo
O otimismo é o vinho tinto das emoções. Uma ou duas taças por dia fazem um bem enorme. Duas garrafas arruínam a pessoa. A diferença do volume da bebida ilustra os dois tipos de otimismo, o racional, uma das conquistas evolutivas mais preciosas da espécie, e o irracional, a fonte de grandes tragédias históricas e fracassos pessoais. A média das mais amplas pesquisas já conduzidas sobre o tema revela que cerca de 80% das pessoas são otimistas. Essa é a parcela da humanidade capaz de enxergar o copo meio cheio. A outra parcela, a minoria, cuja mente vê o mesmo copo meio vazio, tem uma única vantagem sobre a maioria, pois, como diz o ditado, “o pessimista só tem boas surpresas”.
Os otimistas têm más surpresas e são capazes de assimilá-las e transformar o azedume em doce limonada. Eles vivem mais e têm maior resistência às doenças. Quando presos a um leito de hospital, são eles que têm maior chance de cura. Essas pessoas ousam mais, poupam mais e aposentam-se mais tarde. Se a consciência da morte torna o pessimismo inerente à condição humana, o instinto vital se alimenta do otimismo para que a ideia da finitude não nos enlouqueça.
As pessoas mais interessantes são os otimistas com os pés bem plantados no chão. São os arquitetos do futuro, que tomam uma ou mais taças diárias do vinho da ousadia. São as personalidades com um olho nas lições do passado e o outro nas questões do presente e nos desafios do futuro. São, ao mesmo tempo, raízes e asas. Ilusão e realidade.
(Revista Veja, 23 de janeiro de 2013 – texto adaptado)
Leia:
As pessoas mais interessantes são os otimistas com os pés bem plantados no chão.
Considerando o texto acima, pode-se afirmar que
Provas
Questão presente nas seguintes provas
Analise o circuito e assinale a alternativa correta.

Provas
Questão presente nas seguintes provas
Leia:
Os irlandeses não só admiram a música mas também apreciam a literatura brasileira.
A oração coordenada em destaque classifica-se como
Provas
Questão presente nas seguintes provas
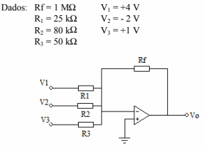
Calcule a tensão de saída (Vo) do circuito abaixo. Em seguida, assinale a alternativa correta.

Provas
Questão presente nas seguintes provas
Assinale a alternativa que apresenta os três terminais de um JFET.
Provas
Questão presente nas seguintes provas
O fluxo de um eletroímã é de 18Wb. O fluxo aumenta uniformemente até 30Wb num intervalo de 6s. Calcule a tensão induzida numa bobina que contenha 12 espiras se esta estiver parada dentro do campo magnético.
Provas
Questão presente nas seguintes provas
Em relação à regência das palavras destacadas, assinale a alternativa incorreta.
Provas
Questão presente nas seguintes provas
Uma memória RAM armazena 32 palavras. Essa memória nada mais é do que um conjunto de 32 registradores de 4 bits cada um. Com base nessa informação, assinale a alternativa correta.
Provas
Questão presente nas seguintes provas
Cadernos
Caderno Container