Foram encontradas 100 questões.
Assinale a alternativa em que as lacunas devem ser preenchidas, respectivamente, com Z, S, Z.
Provas
Questão presente nas seguintes provas
Dado o circuito abaixo, determine a resistência equivalente (Re). Dado: !$ R1 = 5 Ω R2 = 3 Ω R3 = 7 Ω !$

Provas
Questão presente nas seguintes provas
Para evitar o cisalhamento vertical do maciço (da parede), alguns cuidados devem ser tomados durante a construção. Quanto à disposição das juntas, podemos afirmar que
Provas
Questão presente nas seguintes provas
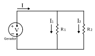
Utilizando o desenho de uma instalação em paralelo, informe qual o valor da resistência equivalente (Re).
Dado: !$ R1 = 25 Ω !$
!$ R2 = 25 Ω !$

Provas
Questão presente nas seguintes provas
As peças que compõem a estrutura de madeira de um telhado podem ser classificadas como peças de armação ou de trama. Assinale a alternativa que contém somente as peças da trama de uma estrutura de telhado de madeira.
Provas
Questão presente nas seguintes provas
Dada as alternativas abaixo, assinale a que corresponde à correta execução de revestimentos de paredes:
Provas
Questão presente nas seguintes provas
Após a impermeabilização dos alicerces em alvenaria com impermeabilizantes líquidos, qual deve ser, em dias, o tempo mínimo de espera para a secagem do produto e início do levantamento das paredes?
Provas
Questão presente nas seguintes provas
No aquecimento central de edifícios o sistema de distribuição de água quente pode ser
Provas
Questão presente nas seguintes provas
Leia:
I. O alcoolismo é um dos fatores que contribui para a violência contra crianças e mulheres.
II. Nos EUA, os gastos com a violência doméstica entre casais ultrapassa 5,8 bilhões de dólares anuais.
III. O olhar dos estrangeiros sobre o Brasil vai além das belezas naturais; o turismo sexual é um forte atrativo do país.
IV. As denúncias de turismo sexual precisam ser feitas, a fim de enfraquecer esse sistema doente.
O processo de formação das palavras destacadas acima é, respectivamente, derivação
Provas
Questão presente nas seguintes provas
Assinale a alternativa em que o verbo ver encontra-se na voz passiva.
Provas
Questão presente nas seguintes provas
Cadernos
Caderno Container