Foram encontradas 100 questões.
O técnico responsável pela manutenção de um equipamento eletrônico verificou que o equipamento está com problemas no seu funcionamento. Nos testes realizados foi observado que não estava ocorrendo a máxima transferência de potência, para ele chegar a esse diagnóstico observou o seguinte problema:
Provas
Questão presente nas seguintes provas
Cada espaço abaixo corresponde a uma conjunção. Assinale a alternativa que completa, correta e respectivamente, cada um deles.
1 – A poligamia faz parte da tradição do povo tibetano, hoje está em desuso, afinal essa prática é proibida pelo governo chinês.
2 – O candidato gastou uma fortuna na campanha, fez inúmeras promessas, distribuiu cestas básicas, não ganhou a eleição.
3 – Por favor, abaixem o som, eu quero estudar.
Provas
Questão presente nas seguintes provas
Analisando o circuito abaixo, assinale a alternativa correta.

Provas
Questão presente nas seguintes provas
Vários planetas são visíveis a olho nu: Marte, Júpiter, Vênus, Saturno e Mercúrio. Esses astros já eram conhecidos não apenas dos gregos mas também de povos ainda mais antigos, como os babilônios. Apesar de sua semelhança com as estrelas, os planetas eram identificados pelos povos da Antiguidade graças a duas características que os diferenciavam. Primeiro: as estrelas, em curtos períodos, não variam de posição umas em relação às outras. Já os planetas mudam de posição no céu com o passar das horas. À noite, esse movimento pode ser percebido com facilidade. Segundo: as estrelas têm uma luz que, por ser própria, pisca levemente. Já os planetas, que apenas refletem a luz do Sol, têm um brilho fixo. Os planetas mais distantes da Terra só puderam ser descobertos bem mais tarde, com a ajuda de aparelhos ópticos como o telescópio. “O primeiro deles a ser identificado foi Urano, descoberto em 1781 pelo astrônomo inglês William Herschel”, afirma a astrônoma Daniela Lázzaro, do Observatório Nacional do Rio de Janeiro.
Fonte: Revista Superinteressante – agosto/2001
Se compararmos as estrelas com os planetas, podemos, segundo o texto, afirmar que as estrelas
Provas
Questão presente nas seguintes provas
Considerando que inicialmente o capacitor C da figura abaixo está com carga zero (Vc=0V), qual a queda de tensão sobre o resistor R após a chave S1 ficar 21ms fechada?

Provas
Questão presente nas seguintes provas
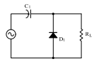
Qual a forma de onda fornecida na carga (R!$ _L !$) do circuito da figura abaixo?

Provas
Questão presente nas seguintes provas
Alguns equipamentos transmissores utilizados em telecomunicação aeronáutica geram um sinal de áudio de, por exemplo, 1.020Hz, que será utilizado para a identificação do transmissor pelos pilotos que a sintonizam. Esse sinal será ouvido pelos pilotos em código Morse. Um modo de gerarmos esse código sonoro está ilustrado na figura abaixo, onde o áudio de 1.020Hz e uma sequência de pulsos, cuja largura corresponde ao ponto ou ao traço, são aplicados a um determinado circuito. O sinal de saída deste circuito é o sinal sonoro ouvido pelos pilotos.
Dentre as alternativas abaixo e baseado na ilustração, que tipo de circuito está sendo utilizado para gerar o código sonoro?

Provas
Questão presente nas seguintes provas
Há predicativo do sujeito em qual alternativa?
Provas
Questão presente nas seguintes provas
Coloque C para as alternativas em que o acento indicador de crase está correto e E para as alternativas em que ele está errado.
( ) Aquela é a recepcionista à qual pedimos informações.
( ) Centenas de pessoas assistiram àquela peça teatral.
( ) Você se refere àquele professor de Filosofia?
( ) Estava disposta à dormir cedo no domingo.
Provas
Questão presente nas seguintes provas
A variação de umidade em uma região geográfica é realizada remotamente. Amostras instantâneas de umidade são coletadas por meio de um sensor e convertidas em pulsos elétricos cujas larguras são proporcionais ao valor da umidade. Para a transmissão das amostras, um sinal de RF será irradiado para a central sob a cadência dos pulsos gerados, ou seja, somente com a presença dos pulsos, o sinal de RF será irradiado.
Pergunta-se: quais os tipos de modulação estão sendo utilizados neste processo, respectivamente?
Provas
Questão presente nas seguintes provas
Cadernos
Caderno Container