Foram encontradas 100 questões.
Assinale a alternativa que traz a regra ortográfica pertinente ao termo em destaque no seguinte trecho: O som da sanfona e os mexidos dos corpos a dançar nem de longe davam sinal de cansaço.
Provas
Calcule o valor de RS em KΩ no circuito a seguir. Dados: VD = 14V, VGSQ = – 4 V.

Provas
Qual das alternativas a seguir refere-se à capacidade do material magnético de concentrar o fluxo magnético?
Provas
Para que o CI 555 possa gerar onda quadrada na saída, qual relação deve ser obedecida?

Provas
No sistema abaixo, u ma linha de transmissão, com impedância característica ZO, conecta a fonte a uma carga ZL = ∞. Assinale o valor da razão de onda estacionária e a tensão no ponto X.

Provas
Se subtrairmos 175 de 344, ambos números do sistema octal, obteremos como resultado, também no sistema octal,
Provas
Quanto às características físicas das bobinas, marque V para verdadeiro e F para falso. Em seguida, assinale a alternativa com a sequência correta.
( ) A indutância L aumenta com o quadrado do número de espiras N em torno do núcleo, considerando que a área e o comprimento da bobina permanecem os mesmos.
( ) A indutância L diminui pela metade com o aumento do dobro do número de espiras N em torno do núcleo, considerando que a área e o comprimento da bobina permanecem os mesmos.
( ) À medida que a área A abrangida em cada espira aumenta, a indutância aumenta, considerando que o número de espiras e o comprimento da bobina permanecem constantes.
( ) A indutância diminui à medida que o comprimento da bobina diminui, considerando que o número de espiras permanece constante.
Provas
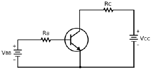
Qual é o valor da corrente no coletor em mA no circuito a seguir? Dados: Transistor de silício, VBB = 10 V, VCC = 10 V, β = 100, RB = 200KΩ e RC = 1KΩ

Provas
Avalie as informações abaixo.
I – Em um dispositivo de memória, a comunicação entre CPU e memória, através do barramento de endereço, é unidirecional.
II – Uma ROM é um dispositivo de memória que permite somente a leitura dos dados armazenados; deste modo, possui somente os barramentos de dados e controle.
III – A memória EPROM foi desenvolvida para que fosse uma memória volátil devido a sua característica de apagamento e reprogramação de seus dados armazenados. Pode-se afirmar que
Provas
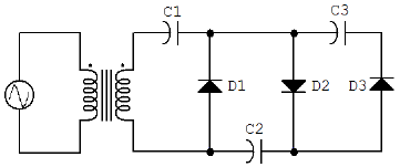
Indique o nome do circuito. Considere secundário do transformador como tensão de entrada.

Provas
Caderno Container