Foram encontradas 100 questões.
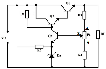
Qual deve ser o procedimento para aumentar a tensão sobre a carga RL no circuito abaixo?

Provas
Calcule o valor da corrente em A no resistor R3. Dados: R1 = 8Ω, R2 = 4Ω e R3 = 6Ω.

Provas
Um sistema de áudio trabalha na faixa de 500Hz a 4kHz. Os sinais de áudio provenientes deste sistema serão convertidos em um sinal digital e, para isso, passarão por um processo de amostragem dos sinais. De acordo com o teorema de amostragem, a frequência do circuito amostrador deverá ser
Provas
Leia: O homem deixo u a sala cabisbaixo, envergonhado, exsudado, como se sobre ele houvesse um sol de 40 graus. As consoantes destacadas na palavra acima pertencem a sílabas distintas pela mesma razão das consoantes destacadas em:
Provas
Disciplina: Engenharia de Telecomunicações
Banca: DIRENS Aeronáutica
Orgão: EEAr
Um determinado guia de onda retangular possui ar como dielétrico e dimensões a = 3,0 cm e b = 1,5 cm. Calcule a menor frequência em GHz que pode se propagar em seu interior.
Provas
Assinale a alternativa em que os versos apresentados contêm discurso direto.
Provas
Assinale a alternativa em que o aposto se refere a outro aposto.
Provas
Assinale a alternativa em que o uso do acento grave, indicador de crase, é facultativo.
Provas
Assinale a alternativa que apresenta adjunto adverbial.
Provas
Vergonha de viver
Clarice Lispector
Há pessoas que têm vergonha de viver: são os tímidos, entre os quais me incluo. Desculpem, por exemplo, estar tomando lugar no espaço. Desculpem eu ser eu. Quero ficar só! grita a alma do tímido que só se liberta na solidão. Contraditoriamente quer o quente aconchego das pessoas. (...)
Sempre fui uma tímida muito ousada. Lembro-me de quando há muitos anos fui passar férias numa grande fazenda. Ia-se de trem até uma pequeníssima estação deserta. Donde se telefonava para a fazenda que ficava a meia hora dali, num caminho perigosíssimo, rude e tosco (...). Telefonei para a fazenda e eles me perguntaram se queria carro ou cavalo. Eu disse logo cavalo. E nunca tinha montado na vida.
Foi tudo muito dramático. Caiu uma grande chuva de tempestade furiosa e fez-se subitamente noite fechada. Eu, montada no belo cavalo, nada enxergava a minha frente. Mas os relâmpagos revelavam-me verdadeiros abismos. (...) E eu, ensopada, morria de medo: sabia que corria risco de vida. Quando finalmente cheguei à fazenda, não tinha força de desmontar (...).
De 12 para 13 anos mudamo-nos do Recife para o Rio, a bordo de um navio inglês. Eu não sabia ainda inglês. Mas escolhia no cardápio ousadamente os nomes de comida mais complicados. (...)
Com sete anos eu mandava histórias e histórias para a seção infantil que saía às quintas-feiras num diário. Nunca foram aceitas. E eu, teimosa, continuava escrevendo. (...)
www.cronicabrasileira.org.br
Em relação aos recursos de escrita utilizados pela autora, assinale a alternativa correta.
Provas
Caderno Container