Foram encontradas 100 questões.
Qual expressão Booleana representa o circuito lógico abaixo?

Provas
Em relação ao circuito contador binário representado na figura abaixo, marque V para verdadeiro e F para falso. Em seguida, assinale a alternativa com a sequência correta.

( ) É um contador assíncrono de 4 bits desde que todas as entradas J e K estejam em nível lógico 1.
( ) A saída D é o bit mais significativo cuja frequência de alternância entre 0 e 1 é o dobro da frequência do clock aplicado ao circuito.
( ) É um contador síncrono visto que as saídas de cada Flip Flop acionam a entrada de clock do Flip Flop adjacente.
( ) Sendo um contador assíncrono, tem como desvantagem que as saídas de cada Flip Flop não alteram seu estado lógico no mesmo instante da transição do clock, sendo que o atraso de resposta é maior para o bit mais significativo.
Provas
Qual a tabela verdade do circuito abaixo?

Provas
Na Figura 01, temos a ilustração de um bloco que representa um circuito digital com duas entradas A e B e uma saída S. Os sinais lógicos aplicados às duas entradas ao longo do tempo e sua respectiva resposta (saída S) estão ilustrados na Figura 02. O sinal de resposta ao longo do tempo permite determinar que o bloco representa uma porta do tipo

Provas
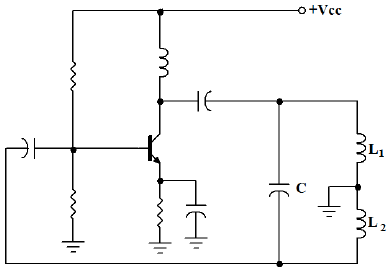
Qual é o valor da frequência gerada no circuito abaixo? Considerar que não há interação magnética entre os indutores.

Provas
Assinale a alternativa que contém a correta classificação das orações destacadas em Enviados os sinais a um computador, foi permitido a ele controlar cursos em uma tela, abrir e-mail, jogar videogame e comandar um braço robótico.
Provas
Disciplina: Literatura Brasileira e Estrangeira
Banca: DIRENS Aeronáutica
Orgão: EEAr
Vergonha de viver
Clarice Lispector
Há pessoas que têm vergonha de viver: são os tímidos, entre os quais me incluo. Desculpem, por exemplo, estar tomando lugar no espaço. Desculpem eu ser eu. Quero ficar só! grita a alma do tímido que só se liberta na solidão. Contraditoriamente quer o quente aconchego das pessoas. (...)
Sempre fui uma tímida muito ousada. Lembro-me de quando há muitos anos fui passar férias numa grande fazenda. Ia-se de trem até uma pequeníssima estação deserta. Donde se telefonava para a fazenda que ficava a meia hora dali, num caminho perigosíssimo, rude e tosco (...). Telefonei para a fazenda e eles me perguntaram se queria carro ou cavalo. Eu disse logo cavalo. E nunca tinha montado na vida.
Foi tudo muito dramático. Caiu uma grande chuva de tempestade furiosa e fez-se subitamente noite fechada. Eu, montada no belo cavalo, nada enxergava a minha frente. Mas os relâmpagos revelavam-me verdadeiros abismos. (...) E eu, ensopada, morria de medo: sabia que corria risco de vida. Quando finalmente cheguei à fazenda, não tinha força de desmontar (...).
De 12 para 13 anos mudamo-nos do Recife para o Rio, a bordo de um navio inglês. Eu não sabia ainda inglês. Mas escolhia no cardápio ousadamente os nomes de comida mais complicados. (...)
Com sete anos eu mandava histórias e histórias para a seção infantil que saía às quintas-feiras num diário. Nunca foram aceitas. E eu, teimosa, continuava escrevendo. (...)
www.cronicabrasileira.org.br
No último parágrafo, a autora
Provas
Disciplina: Engenharia de Telecomunicações
Banca: DIRENS Aeronáutica
Orgão: EEAr
Calcule o máximo desvio de frequência da portadora para um VCO de 625kHz, Ko=1,5kHz/V e sinal modulante de 4Vp e 1kHz.
Provas
Qual das alternativas abaixo está correta a respeito de um número Decimal Codificado em Binário?
Provas
A sequência de pulsos ilustrada abaixo é portadora de uma informação analógica. A qual processo de modulação o trem de pulsos foi submetido?
Provas
Caderno Container