Foram encontradas 100 questões.
Indique a alternativa que representa o símbolo do MOSFET no modo crescimento, canal P.
Provas
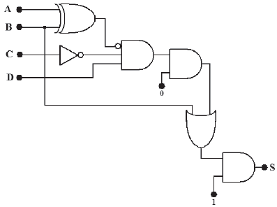
O circuito digital ilustrado abaixo contém quatro variáveis de entrada (A, B, C e D) e uma variável de saída S. Qual das alternativas representa a expressão booleana para a saída do circuito?

Provas
Na eletrônica é muito importante saber o material usado na fabricação dos componentes eletrônicos, pois características como condutividade e resistividade mudam o funcionamento de um circuito. Sobre esse assunto, é correto afirmar que
Provas
Disciplina: Engenharia de Telecomunicações
Banca: DIRENS Aeronáutica
Orgão: EEAr
Calcule a potência total de um sinal AM-DSB, considerando EC=50Vp (portadora), m=0,8 e a impedância efetiva igual a !$ 50 \Omega !$. Depois, assinale a alternativa com a resposta correta.
Provas
Considere o diálogo abaixo.
— Será que, depois de tudo que aconteceu, o Zeca vai se atrever a vir aqui.
— Eu acho que... Não sei... Creio que sim. Se a necessidade for maior que o escrúpulo...
— Tem gente de todo tipo neste mundo mesmo!
Quanto à pontuação, quais falas estão corretas?
Provas
Leia o texto abaixo e avalie as informações sobre ele.
Não existem crianças de rua. Existem crianças na rua. E toda vez que um menino está na rua é porque alguém o botou lá. (Marina Colasanti)
I- Nos dois casos, os termos grifados são adjuntos adnominais.
II- A expressão “de rua” denota qualidade, e “na rua” expressa localização.
III- Com a troca da preposição no adjunto, o texto passou a fazer uma crítica à sociedade.
Está correto o que se afirma em
Provas
Leia:
O cérebro é capaz de quase qualquer coisa. Ele consegue parar o tempo, ficar vários dias numa boa sem dormir, ler pensamentos, mover objetos a distância e se reconstruir de acordo com a necessidade. Parecem superpoderes de histórias em quadrinhos, mas são apenas algumas descobertas que os neurocientistas fizeram ao longo da última década. (Superinteressante, São Paulo: Abril, ago. 2006)
Coloque V (verdadeiro) ou F (falso) nas sentenças abaixo e, a seguir, assinale a alternativa que traz a sequência correta.
Pode-se afirmar que, no texto acima, há
( ) dois períodos compostos apenas por coordenação, com o total de nove orações coordenadas, sendo sete assindéticas e duas sindéticas.
( ) um período composto apenas por coordenação, com duas orações assindéticas.
( ) um período composto por subordinação, com uma oração principal e seis orações subordinadas objetivas diretas, coordenadas entre si.
( ) um período composto apenas por coordenação e outro por coordenação e subordinação, com uma oração subordinada adjetiva restritiva.
Provas
Assinale a alternativa em que o termo negritado tem a mesma classificação sintática do que está destacado na seguinte frase:
O sistema ortográfico de qualquer língua é comandado por convenções rígidas de caráter uniformizador que tendem a neutralizar as diferenças de pronúncia que envolvem a fala. (Platão e Fiorin)
Provas
Assinale a alternativa incorreta sobre instrumentos eletrônicos de medida.
Provas
Considerando um circuito formado por uma resistência, um indutor e um capacitor ligados em série, alimentados por uma fonte de 20V/100Hz, em qual situação a impedância desse circuito fica igual apenas ao valor do resistor?
Provas
Caderno Container