Foram encontradas 100 questões.
Assinale a alternativa que indica o componente eletrônico que admite o fluxo de corrente alternada e não possui gatilho de disparo.
Provas
Apenas uma das alternativas abaixo apresenta uma forma de concordância nominal para a qual não há outra possibilidade de concordância. Assinale-a.
Provas
Considerando o diagrama de irradiação abaixo, calcule, em dB, a relação frente-costas e marque a alternativa correta.

Provas
Uma memória com 16Kbytes de células de memória pode armazenar quantas palavras de 2 bytes?
Provas
Assinale a alternativa que contém locução adverbial.
Provas
O gráfico abaixo representa a resposta de ganho x frequência de um amplificador operacional. Considerando essas informações, assinale a alternativa que apresenta a frequência de corte.

Provas
Assinale a alternativa em que todos os termos destacados classificam-se como sujeito.
Provas
O pulo do gato
Mauro Santayana
O grande perigo do jornalista que começa é o de cair na presunção sociológica. É claro que, tratando da sociedade, o jornalismo é também um pouco de sociologia — mas a sociologia deve ir para o lugar próprio, os artigos elaborados com mais tempo, os editoriais e tópicos e, bem digerida em um texto fluido, a reportagem.
Jornalismo é razão e emoção. O texto apenas racional é frio, e só comunica aos que se encontrem diretamente interessados no assunto. O texto deve saber dosar emoção e razão, e é nesse equilíbrio que está o chamado “pulo do gato”. Muitos jornalistas acreditam que o adjetivo emociona. Enganam-se. Quanto mais despida uma frase, mais cortante o seu efeito.
“E amolou o machado, preparou um toco para servir de cepo, chamou o menino, amarrou-lhe as mãos, fez-lhe um sinal para que ficasse calado, e rachou o seu corpo em sete pedaços. O menino P., de cinco anos, não era seu filho e F. descobrira isso poucos minutos antes, quando discutia com a mulher.” Leads como esse são sempre possíveis na reportagem de polícia: não necesitam de adjetivos. As tragédias, como os cantores famosos, dispensam apresentações.
FIORIN, José Luiz. SAVIOLI, Francisco Platão. Para entender vo texto:
Leitura e Redação. São Paulo: Editora Ática, 1999.
Considerando as manchetes fictícias apresentadas abaixo, sobre a pandemia de 2020, assinale aquela que está de acordo com o que o texto defende.
Provas
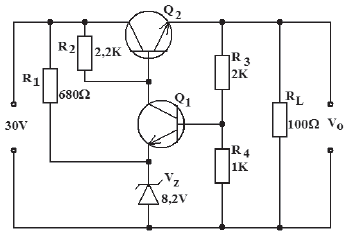
Para o circuito abaixo, calcule a tensão de saída (VO) e indique a alternativa correta. Dado: VBE=0,7V.

Provas
Ocorreu-lhe desde logo que ao americano poderia parecer estranha tal amizade. (Fernando Sabino)
A oração subordinada substantiva presente na frase acima classifica-se como
Provas
Caderno Container