Foram encontradas 100 questões.
Considerando a teoria de transistores de junção bipolar, assinale a alternativa correta.
Provas
Uma televisão possui, no seu circuito eletrônico, um resistor que, devido ao tempo de fabricação, não apresenta, no seu invólucro, as cores das faixas de leitura do seu valor. O técnico precisa fazer a substituição desse resistor, assim utilizou o ohmímetro para medir seu valor e obteve !$ 6,87\Omega !$. Considerando que o resistor substituto possua valor diferente do medido de no máximo 5%, qual deve ser o código de cores para o novo resistor?
Provas
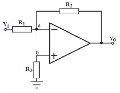
Para o circuito abaixo, assinale a alternativa correta.

Provas
A expressão booleana !$ S = \overline ABC + A \overline B \overline C !$ pode ser escrita também da seguinte forma:
Provas
Atentando para a regência dos verbos das orações adjetivas, assinale a alternativa cuja lacuna não deve ser preenchida com nenhuma preposição.
Provas
Assinale a alternativa que contém vocativo.
Provas
Considere o circuito abaixo e os sinais aplicados nas respectivas entradas.

O circuito em questão executa a função de um comparador com resistores de entrada de mesmo valor. O sinal desenvolvido na carga (saída do amplificador operacional) é
Provas
Das técnicas de modulação pulsada, a que se caracteriza por ser modulação digital é o(a)
Provas
Em relação à tecnologia MOS e TTL de CIs digitais, marque V para verdadeiro e F para falso. Em seguida, assinale a alternativa com a sequência correta.
( ) A principal desvantagem de um CI construído com tecnologia MOS é sua alta sensibilidade à eletricidade estática que pode danificá-lo com relativa facilidade.
( ) Um CI com tecnologia MOS foi projetado para ser compatível com todos os seus correspondentes TTL, porém com maior capacidade de integração e menor consumo de potência.
( ) A série 74 de CIs digitais representa CIs fabricados com tecnologia TTL, tais como 74LS, 74AS, 74HC, 74HCT, etc., em que a diferença entre eles está na diferença entre parâmetros elétricos.
( ) CMOS é a tecnologia MOS na qual há a utilização, em um mesmo circuito digital (por exemplo, um inversor), de MOSFETs canal N e canal P.
Provas
A expressão !$ D = AC + B\overline C !$ representa qual circuito lógico?
Provas
Caderno Container