Foram encontradas 100 questões.
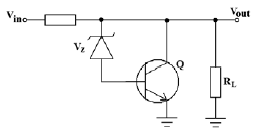
Para o regulador de tensão em paralelo a seguir, indique a alternativa com a relação correta.

Provas
O circuito abaixo é um filtro ativo . Indique a alternativa que preenche a lacuna corretamente.

Provas
Nos estudos sobre fibras ópticas, o que significa o termo Abertura Numérica (NA)?
Provas
Assinale a alternativa que preenche, correta e respectivamente, as lacunas.
A região de ruptura é caracterizada pela na região da curva característica do diodo Zener.
Provas
Um equipamento portátil é alimentado com 4 pilhas AA alcalinas em série. Com essa ligação entre as pilhas, pretende-se obter
Provas
Um circuito é formado por dois resistores de !$ 2k\Omega !$ que estão ligados em série entre si. Inserindo-se um novo resistor de !$ 2k\Omega !$ em paralelo com um deles, qual o valor da resistência total do circuito formado pelos três resistores?
Provas
Qual a função do circuito eletrônico denominado Foster-Seeley?
Provas
Calcule o ganho total do sistema, em dB, e assinale a alternativa correta. Dados: log2=0,3 e log10=1.

Provas
Com relação a um sinal de AM DSB, é correto afirmar que
Provas
Qual a vantagem entre um sinal modulado do tipo AM DSB-SC para um do tipo AM DSB-FC?
Provas
Caderno Container