Foram encontradas 100 questões.
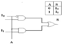
O circuito lógico representado abaixo é

Provas
Analise o circuito abaixo e indique o ponto em que deve ser conectado o diodo, de tal forma que a lâmpada atinja seu brilho máximo. Depois assinale a alternativa correta.

Provas
Relacione as colunas quanto aos níveis de tensão e corrente. Em seguida, assinale a alternativa com a sequência correta.
1 – Valor de tensão máxima que garante o nível “0” na entrada.
2 – Valor de tensão mínima que garante o nível “1” na entrada.
3 – Valor de corrente máxima que a saída pode receber quando em nível “0”.
( ) Low Level Input Voltage
( ) High Level Input Voltage
( ) Low Level Output Current
Provas
Analise o circuito a seguir e indique a alternativa que representa a forma de onda de saída.

Provas
Qual o tipo de modulação digital coleta amostras da amplitude do sinal a ser transmitido e posteriormente converte para uma sequência de vários 0s e 1s digitais?
Provas
Indique a alternativa correta em relação às características de memórias.
Provas
Ao medir a ROE (TOE) de uma linha de transmissão, o técnico encontrou o valor de 1. O que significa essa medida realizada?
Provas
Em relação aos conceitos e parâmetros das famílias lógicas, marque V para verdadeiro e F para falso. Em seguida, assinale a alternativa com a sequência correta.
( ) Fan-Out é o número mínimo de blocos lógicos que pode ser ligado à saída de outro da mesma família
( ) Tempo de atraso de propagação é definido como o tempo que um bloco lógico leva para mudar de estado desde a aplicação de um nível lógico para tanto.
( ) Imunidade ao ruído é a capacidade que os blocos de determinada família lógica possuem de receber influências parasitas elétricas ou magnéticas.
( ) High Level Output Current é o valor de corrente de saída máxima quando em nível “0”.
Provas
Podemos classificar as memórias em vários itens diferentes. Marque a alternativa que relaciona esses itens.
Provas
Um alto-falante pode ser projetado para reproduzir, com maior eficiência, uma faixa específica de frequência de áudio. Um alto-falante específico, comumente chamado de twiter, reproduz, com boa eficiência, frequências de áudio acima de um valor específico. Para garantir que somente as frequências acima desse valor alimentem o twiter, acopla-se a ele um circuito passa-alta. Esse circuito pode ser montado
Provas
Caderno Container