Foram encontradas 100 questões.
Determine a frequência do clock necessária para gerar o sinal digitalizado da figura e sua amplitude máxima.
Dado: número de intervalos de tempo = 28

Provas
Assinale a alternativa que apresenta apenas características relacionadas com o estudo de antenas.
Provas
Um resistor de !$ 20k\Omega !$ em série com um indutor de 10mH é alimentado por uma fonte senoidal variável com tensão fixa. Para qual frequência fornecida pela fonte a tensão sobre o resistor será igual a 0,707 da tensão máxima da fonte?
Considere indutor com resistência ôhmica nula.
Dado: !$ (2\pi)^{-1} = 0,16 !$
Provas
Analise a figura do circuito abaixo e aponte a alternativa correta quanto à funcionalidade do tipo de flip-flop apresentado.

Provas
Um circuito eletrônico é formado por diversos componentes, dentre eles, o indutor. Um tipo específico de indutor é construído com um fio de cobre rígido formando uma simples espiral com algumas espiras. Ao manipular uma placa de circuito que contém este tipo de indutor, o técnico pode, inadvertidamente, apertar a espiral de forma a aproximar as espiras entre si, reduzindo seu comprimento. Conclui-se que tal interferência no componente
Provas
“Circuito constituído de um diodo, um resistor e um capacitor que desloca uma forma de onda para um nível CC diferente, sem alterar a aparência do sinal aplicado”. Essa descrição refere-se a qual circuito?
Provas
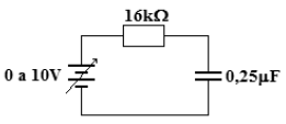
O circuito abaixo está inicialmente alimentado com uma tensão de 5V. Se, instantaneamente, a tensão da fonte alterar para 8V (variação em degrau) e se mantiver nesse valor indeterminadamente, quanto tempo demorará para a corrente do circuito atingir seu novo valor final a partir da variação da tensão?

Provas
Relacione as colunas quanto à polarização dos semicondutores. Em seguida, assinale a alternativa com a sequência correta.
1 – Polarização direta
2 – Polarização reversa
( ) camada de depleção estreita
( ) tensão de ruptura
( ) corrente de fuga de superfície
( ) funcionamento como chave fechada
Provas
Na propagação das ondas transmitidas por uma antena, como se comportam os campos elétrico (E) e magnético (H) no espaço livre?
Provas
Um osciloscópio, conectado no ponto B do circuito abaixo, indicou uma forma de onda senoidal e uma tensão de pico de 50V. Qual o valor da corrente de pico desse circuito?

Provas
Caderno Container