Foram encontradas 100 questões.
Considerando o circuito abaixo, assinale a alternativa que corresponde ao valor da tensão Vce. Considerar Vbe = 0,7V e Ic = Ie.

Provas
Assinale a alternativa que completa a frase abaixo. Um determinado sistema de comunicação possui uma relação sinal-ruído igual a 30dB. Isso equivale a dizer que a potência do sinal é vezes que a potência do ruído.
Provas
Assinale a alternativa que indica a faixa de frequência que compreende as ondas médias.
Provas
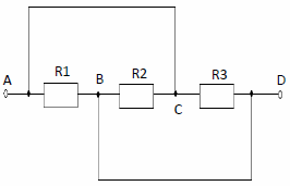
Determine a resistência total (Rt) para o circuito abaixo.
Dados: R1= 10\( \Omega \), R2= 20\( \Omega \) e R3= 30\( \Omega \).

Provas
Qual é a menor frequência que pode se propagar no modo dominante, no interior de um guia de onda com dimensões de 1,5cm x 3,0cm?
Provas
Qual é o componente que se deseja suprimir na saída de um modulador balanceador?
Provas
Assinale a alternativa que completa a frase abaixo.
Um semicondutor dopado é chamado de semicondutor . No semicondutor tipo p, as lacunas são chamadas de portadores e os elétrons livres são chamados de portadores .
Provas
Considerando o espectro AM-DSB, calcule o índice de modulação.

Provas
Em um receptor, qual circuito possui a função de efetuar o batimento entre duas frequências, gerando a frequência intermediária?
Provas
Analise o circuito abaixo e assinale a alternativa que corresponde à função lógica.

Provas
Caderno Container