Foram encontradas 100 questões.
Em relação aos tipos de termistores, avalie as afirmações abaixo e marque V para verdadeiro e F para falso. Em seguida, assinale a alternativa com a sequência correta.
( ) Termistor com encapsulamento de vidro é muito robusto e estável e pode ser utilizado a temperaturas de até 300°C.
( ) O tipo “gota” é muito preciso e estável e apresenta uma resposta térmica lenta.
( ) A sonda é robusta e tem um alto fator de estabilidade.
( ) O tipo “chip” é utilizado em substratos híbridos, circuitos integrados ou placas de circuito impresso.
Provas
Assinale a alternativa que completa a frase abaixo.
Os possuem entradas clock curto-circuitadas.
Provas
Utilizando a potência de dez, assinale a alternativa que representa o prefixo métrico nano(n).
Provas
Avalie as assertivas abaixo sobre a classe de operação dos amplificadores.
I- Na operação classe A, o transistor funciona na região ativa o tempo todo.
II- A corrente no coletor circula pelos 360º do ciclo CA para a operação classe B.
III- Para a operação classe C, a corrente de coletor circula por menos que 180º do ciclo CA.
Está correto o que se afirma em
Provas
“O teorema afirma que, numa rede com duas ou mais fontes, a corrente ou a tensão para qualquer componente é a soma algébrica dos efeitos produzidos por cada fonte atuando independentemente. A fim de se usar uma fonte de cada vez, todas as outras fontes são retiradas do circuito. Ao se retirar uma fonte de tensão, faz-se no seu lugar um curto-circuito. Quando se retira uma fonte de corrente, ela é substituída por um circuito aberto”.
Esse texto refere-se ao Teorema
Provas
Determine a indutância de uma bobina que induz 12V. Considere que a corrente que passa pela bobina varia de 6A para 15A em uma variação de tempo de 3 segundos. Em seguida, assinale a alternativa correta.
Provas
Assinale a alternativa que apresenta as características de um amplificador operacional ideal.
Provas
Assinale a alternativa que preenche as lacunas.
O transformador básico é formado por bobinas isoladas eletricamente e enroladas em torno de um núcleo comum. Para se transferir a energia elétrica de uma bobina para a outra, usa-se o acoplamento . A bobina que fornece energia para uma carga ca é chamada de . A bobina que recebe a energia de uma fonte ca é chamada de .
Provas
Qual a definição de “capacidade de memória”?
Provas
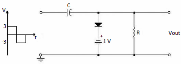
Analise o circuito abaixo e assinale a alternativa que corresponde ao sinal de saída Vout. Dados: R = 1k.

Provas
Caderno Container