Foram encontradas 100 questões.
Avalie as informações abaixo sobre o código ASCII.
I- É um código de 6 bits.
II- Tem 128 representações codificadas.
III- É usado para transferência de informação alfanumérica entre um computador e dispositivos externos.
IV- ASCII é o acrônimo para “Código Padrão Americano para Geração Internacional de Dados”.
Está correto o que se afirma em
Provas
Assinale a alternativa correta com relação às fontes de eletricidade.
Provas
Um amplificador possui um ganho de tensão de 60dB. Indique a alternativa que apresenta o valor da razão entre a tensão de saída e entrada.
Provas
Relacione as colunas quanto às definições de pilhas primárias e pilhas secundárias. Em seguida, assinale a alternativa com a sequência correta.
1 – Pilhas primárias
2 – Pilhas secundárias
( ) São recarregáveis.
( ) Não podem ser recarregadas.
( ) As pilhas secas usadas em lanternas e em rádios transistorizados são exemplos.
( ) São usadas pilhas menores e blindadas na alimentação de equipamentos portáteis como barbeadores, calculadoras eletrônicas, rádios e televisores.
Provas
Como é denominado um conjunto de 4 bits no sistema binário de numeração?
Provas
Qual o fenômeno de propagação das ondas de rádio que é explicado pelo “Princípio de Huygens”?
Provas
Assinale a alternativa que apresenta uma das características da fibra óptica.
Provas
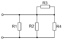
No circuito a seguir, todos os resistores são iguais a X. Indique a alternativa com o valor da resistência equivalente.

Provas
Qual é o tipo da antena que possui o diagrama de irradiação abaixo?

Provas
Relacione as colunas considerando a simbologia com o dispositivo correspondente e assinale a alternativa com a sequência correta.
1 – DIAC
2 – SCR
3 – TRIAC
( )

( )

( )

Provas
Caderno Container