Foram encontradas 60 questões.
A NR-5 − Comissão Interna de Prevenção de Acidente − CIPA, tem como atribuições, dentre outras,
Provas
Questão presente nas seguintes provas
Na NR-33 − Segurança e Saúde nos Trabalhos em Espaços Confinados, considerando o segmento das responsabilidades, é
correto afirmar:
Provas
Questão presente nas seguintes provas
Ao afirmar que a carcaça de uma máquina está aterrada, é o mesmo que dizer que
Provas
Questão presente nas seguintes provas
O fenômeno resultante de uma ruptura dielétrica de um gás, a qual produz uma descarga de gás ionizado, similar a uma fagulha
instantânea, resultante de um fluxo de corrente em meio normalmente isolante tal qual o ar, é conhecido como
Provas
Questão presente nas seguintes provas
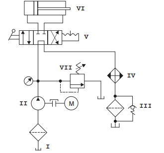
Considere o circuito hidráulico básico da figura abaixo.

O componente III, ilustrado na figura refere-se a

O componente III, ilustrado na figura refere-se a
Provas
Questão presente nas seguintes provas
O Processo de Medição envolve as etapas de identificação de um fenômeno físico, de uso de um instrumento de medida e de
exigir um órgão de percepção. Se este processo tiver especificamente a finalidade de manter uma máquina em um determinado
regime de funcionamento, deverá exigir, além destas, também a etapa que envolve
Provas
Questão presente nas seguintes provas
- EletrotécnicaCircuitos Elétricos em Eletricidade
- EletrotécnicaCircuitos de Corrente Contínua e de Corrente Alternada
Analise o circuito elétrico abaixo.
Seguindo o método de análise de malhas tradicional, trata-se de um
Seguindo o método de análise de malhas tradicional, trata-se de um Provas
Questão presente nas seguintes provas
- EletrotécnicaCircuitos Elétricos em Eletricidade
- EletrotécnicaCircuitos de Corrente Contínua e de Corrente Alternada
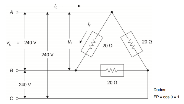
Considere a figura abaixo. ,
Três resistências de 20 Ω cada, são ligadas em triângulo a uma linha de 3 − ∅ de 240 V funcionando com um FP de uma
unidade.
A potência consumida pelas três resistências é igual a
Três resistências de 20 Ω cada, são ligadas em triângulo a uma linha de 3 − ∅ de 240 V funcionando com um FP de uma
unidade.
A potência consumida pelas três resistências é igual a Provas
Questão presente nas seguintes provas
Considere as seguintes afirmações:
I. Se a temperatura está baixa, então a minha pele está seca.
II. Se não tenho rachaduras nas mãos, então a minha pele não está seca.
III. Se eu tenho rachaduras nas mãos, então eu sinto dor nas mãos.
IV. Não sinto dor nas mãos.
A partir delas é correto concluir que
Provas
Questão presente nas seguintes provas
A expressão numérica (0,2)2 + 3.(7 - 4) + (3/4)-2 - 1013 supera a expressão numérica (3/4)-2 + 3.(4 - 11) - 1013 + (0,2)2 em um
número igual a
Provas
Questão presente nas seguintes provas
Cadernos
Caderno Container