Foram encontradas 70 questões.
Um engenheiro recebeu uma especificação quanto à resposta em freqüência de um circuito, mostrada abaixo, e que deverá ser implementada, sendo a tensão de entrada [ve (t)] e a de saída [vs (t)], senoidais.

Foram inicialmente escolhidos os circuitos (1), (2), e (3), abaixo
.


Provas
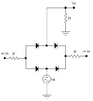
Analise o circuito abaixo, onde os diodos são ideais, (+/- Vc) e (-/+ Vc) são fontes de tensões quadradas simétricas, com amplitudes de +/- 10,0 Volts e Ve é um sinal senoidal, com amplitude de 5,0 Volts.

Provas
No circuito abaixo os componentes podem ser considerados ideais.

Provas
É dado o circuito abaixo, onde V= 12 Volts, R1=2,0 k
, R2=3,0 k
e R3=R4=4,0 k
.

Aplicando –se o teorema de Thèvenin entre os pontos a e b, terminais do resistor R, teremos o circuito equivalente a uma fonte de tensão de
Provas

No desenvolvimento de f(t) em Série de Fourier, o quinto harmônico de tensão na mesma unidade, considerando-se o fundamental como primeiro, será:
Provas
O amplificador do circuito abaixo apresenta uma impedância de entrada infinita (no ponto 1 em relação à terra) e uma impedância de saída nula (no ponto 2 em relação à terra), quando a chave está aberta. Apresenta também um ganho de tensão entre os pontos 2 e 1 de - 9 (A21 = – 9).

Quando a chave for fechada, a impedância de entrada entre o ponto 1 e a terra será:
Provas
Analise o circuito abaixo, onde os componentes são ideais, sendo a entrada um sinal de tensão acoplado ao ponto E e a saída no ponto S, relacionadas ao ponto de aterramento.

Se o sinal de entrada for uma tensão ee (t) = 2 sen 104 t (em volts), o sinal de saída es (t) terá uma amplitude máxima e uma diferença de fase em relação à entrada, respectivamente, de:
Provas
Um engenheiro deve testar um transformador como o apresentado abaixo.

Mediu com uma ponte a indutância entre os terminais 1 e 2 (primário), com os terminais 3 e 4 (secundário) abertos, encontrando um valor de 4,0 mH e, em seguida, a indutância entre os terminais 3 e 4, com os terminais 1 e 2 abertos, encontrando um valor de 9 mH. Continuando a análise, ligou o terminal 2 ao terminal 3 e mediu a indutância entre os terminais 1 e 4, encontrando um valor de 17,0 mH. Calculou, com esses valores, o fator de acoplamento entre o primário e secundário, encontrando:
Provas
No circuito abaixo os resistores e o capacitor são ideais e com valores exatos. É aplicado, entre o ponto E e o ponto de aterramento do circuito, um degrau de tensão.

Provas
Devem ser feitas medidas em um transistor, de modo que se obtenham os parâmetros do circuito equivalente híbrido incremental, caracterizado pelas funções:
Vbe= f (Ib, Vce) e Ic= f (Ib, Vce).
Os respectivos valores incrementais são:
vbe= tensão entre base e o emissor;
ib= corrente da base;
ic= corrente de coletor;
vce = tensão entre coletor e emissor.
É dado o circuito equivalente híbrido "h":

Provas
Caderno Container