Foram encontradas 524 questões.
Para valores de correntes até 20 vezes a corrente nominal de um TC de proteção, a sua classe de exatidão é:
Provas
A figura a seguir refere-se aos terminais de um motor de indução monofásico para ligação em 110V ou 220V. Os terminais 1-2 e 3-4 correspondem ao seu enrolamento principal. Uma das possíveis ligações para o seu funcionamento em uma rede de 220V é:

Provas
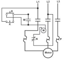
Considere o diagrama a seguir. O contato que provoca o desligamento do motor na ocorrência de uma sobrecarga é:

Provas
O relé Buchholz é usado para a proteção de:
Provas
A figura a seguir esquematiza um relé de proteção:

Provas
O diagrama a seguir refere-se a um motor:

Provas
Para a partida de um motor, a seqüência de operações para as chaves indicadas é:

Provas
O diagrama a seguir representa o esquema de uma chave:

Provas
Um termo-par ou bimetal, é um dispositivo que pode ser usado para:
Provas
O percentual de sobrepasso ou overshoot de uma onda de tensão V(t) cujo valor de regime é 13 volts, é dado pela expressão:
Provas
Caderno Container