Foram encontradas 782 questões.
Considerando-se os sistemas prediais de esgoto sanitário, pode-se afirmar que a caixa provida de desconector que é destinada a receber efluentes da instalação secundária de esgoto, é denominada:
Provas
Para o cálculo das reações de apoio das lajes maciças retangulares executadas em concreto armado com carga uniforme, quando a análise plástica não for efetuada, as charneiras podem ser aproximadas por retas inclinadas, a partir dos vértices. Entretanto, três situações distintas devem ser consideradas: a) quando existem dois apoios do mesmo tipo; b) quando o apoio considerado é engastado e o outro simplesmente apoiado e; c) quando a borda vizinha for livre. Desta forma, pode-se afirmar que os ângulos das charneiras (em graus) a serem utilizados em cada uma das situações citadas acima, valem, respectivamente:
Provas
Os ensaios de laboratório visam a determinação de características diversas do terreno de fundação, utilizando amostras representativas, obtidas nas sondagens de reconhecimento, nos poços ou em trincheiras de inspeção na fase de projeto ou execução da obra. Dentre as opções apresentadas abaixo, a única que não diz respeito à ensaios realizados em laboratório é:
Provas
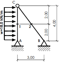
A estrutura apresentada na figura abaixo está submetida ao carregamento indicado. Os valores de momento fletor na seção 1, esforço cortante no apoio A e esforço normal na seção 2, valem, respectivamente:

(dimensões em metros)
Provas
A máxima tensão de compressão atuante na viga apresentada abaixo, de seção transversal retangular (0,40x0,60m), submetida ao carregamento indicado, em MPa, é igual a:

(dimensões em metros)
Provas
O pilar apresentado abaixo está submetido a uma carga P com uma excentricidade e. Com base nesta situação, julgue os itens abaixo:

I) quanto maior for a excentricidade e, maior será a carga P suportada pelo pilar;
II) o ponto 1 na seção transversal da base do pilar está submetido à compressão;
III) o ponto 2 na seção transversal da base do pilar está submetido à tração;
IV) o coeficiente teórico de comprimento efetivo de flambagem (K) para o pilar é igual a 1,0;
V) se a carga fosse aplicada sem excentricidade, ou seja, no centróide da seção transversal do pilar e supondo-se que não existam contraventamentos e que a>b, a flambagem ocorreria em torno do eixo x.
A alternativa que apresenta apenas as afirmações corretas é:
Provas
A NBR10844/1989: Instalações Prediais de Águas Pluviais utiliza algumas definições conforme apresentado abaixo:
I) Altura pluviométrica é o quociente entre a altura pluviométrica precipitada num intervalo de tempo e este intervalo;
II) Caixa de areia é um recipiente utilizado nos condutores horizontais destinados a recolher detritos por deposição;
III) Intensidade pluviométrica é o volume de água precipitada por unidade de área horizontal;
IV) Perímetro molhado é a linha que limita a seção molhada junto às paredes e ao fundo do condutor ou calha;
V) Seção molhada é a área útil de escoamento em sua seção transversal de um condutor ou calha.
A alternativa que apresenta apenas as afirmações corretas é:
Provas
O perfil de solo abaixo tem os seguintes parâmetros:
| 3,0 m | Camada 1 – |
| 5,0 m | |
| 10,0 m | Camada 2 - |
Camada 1 – γh = 16 kN/m3, γsat = 18 kN/m3
Camada 2 – γh = 18 kN/m3, γsat = 20 kN/m3
Considerando-se que o peso específico da água (γw) é 10kN/m3, a tensão efetiva no meio da camada 2 é de:
Provas
A maneira usual de se proceder à escolha de uma bomba de recalque é recorrer aos catálogos dos fabricantes, uma vez conhecidos (as):
Provas
A figura a seguir apresenta o estado plano de tensões em um determinado ponto de um elemento estrutural. A máxima tensão de cisalhamento !$ ( \tau_{máx}) !$ e as tensões principais !$ ( \sigma_1\,e\,\sigma_2) !$ valem, respectivamente:

Provas
Caderno Container