Foram encontradas 185 questões.

Disponível em: http://clubedamafalda.blogspot.com.br. Acesso em: 21 set. 2011.
Nessa charge, o recurso morfossintático que colabora para o efeito de humor está indicado pelo(a)
Provas
Questão presente nas seguintes provas
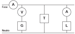
Um eletricista analisa o diagrama de uma instalação elétrica residencial para planejar medições de tensão e corrente em uma cozinha. Nesse ambiente existem uma geladeira (G), uma tomada (T) e uma lâmpada (L), conforme a figura. O eletricista deseja medir a tensão elétrica aplicada à geladeira, a corrente total e a corrente na lâmpada. Para isso, ele dispõe de um voltímetro (V) e dois amperímetros (A).

Para realizar essas medidas, o esquema da ligação desses instrumentos está representado em:
Provas
Questão presente nas seguintes provas
A estratégia de obtenção de plantas transgênicas pela inserção de transgenes em cloroplastos, em substituição à metodologia clássica de inserção do transgene no núcleo da célula hospedeira, resultou no aumento quantitativo da produção de proteínas recombinantes com diversas finalidades biotecnológicas. O mesmo tipo de estratégia poderia ser utilizada para produzir proteínas recombinantes em células de organismos eucarióticos não fotossintetizantes, como as leveduras, que são usadas para produção comercial de várias proteínas recombinantes e que podem ser cultivadas em grandes fermentadores.
Considerando a estratégia metodológica descrita, qual organela celular poderia ser utilizada para inserção de transgenes em leveduras?
Provas
Questão presente nas seguintes provas
Pensar la lengua del siglo XXI
Aceptada la dicotomía entre “español general” académico y “español periférico” americano, la capacidad financiera de la Real Academia, apoyada por la corona y las grandes empresas transnacionales españolas, no promueve la conservación de la unidad, sino la unificación del español, dirigida e impuesta desde España (la Fundación Español Urgente: Fundeu). Unidad y unificación no son lo mismo: la unidad ha existido siempre y con ella la variedad de la lengua, riqueza suprema de nuestras culturas nacionales; la unificación lleva a la pérdida de las diferencias culturales, que nutren al ser humano y son tan importantes como la diversidad biológica de la Tierra.
Culturas nacionales: desde que nacieron los primeros criollos, mestizos y mulatos en el continente hispanoamericano, las diferencias de colonización, las improntas que dejaron en las nacientes sociedades americanas los pueblo aborígenes, la explotación de las riquezas naturales, las redes comerciales coloniales fueron creando culturas propias, diferentes entre sí, aunque con el fondo común de la tradición española. Después de las independencias, cuando se instituyeron nuestras naciones, bajo diferentes influencias, ya francesas, ya inglesas; cuando los inmigrantes italianos, sobre todo, dieron su pauta a Argentina, Uruguay o Venezuela, esas culturas nacionales se consolidaron y con ellas su español, pues la lengua es, ante todo, constituyente. Así, el español actual de España no es sino una más de las lenguas nacionales del mundo hispánico. El español actual es el conjunto de veintidós españoles nacionales, que tienen sus propias características; ninguno vale más que otro. La lengua del siglo XXI es, por eso, una lengua pluricéntrica.
LARA, L. F. Disponível em: www.revistaenie.clarin.com. Acesso em: 25 fev. 2013.
O texto aborda a questão da língua espanhola no século XXI e tem como função apontar que
Provas
Questão presente nas seguintes provas
A figura apresenta dois mapas, em que o estado do Rio de Janeiro é visto em diferentes escalas.

Há interesse em estimar o número de vezes que foi ampliada a área correspondente a esse estado no mapa do Brasil.
Esse número é
Provas
Questão presente nas seguintes provas
Casados e independentes
Um novo levantamento do IBGE mostra que o número de casamentos entre pessoas na faixa dos 60 anos cresce, desde 2003, a um ritmo 60% maior que o observado na população brasileira como um todo...

Fontes: IBGE e Organização Internacional do Trabalho (OIT)
* Com base no último dado disponível, de 2008
Veja, São Paulo, 21 abr. 2010 (adaptado).
Os gráficos expõem dados estatísticos por meio de linguagem verbal e não verbal. No texto, o uso desse recurso
Provas
Questão presente nas seguintes provas
Em um piano, o Dó central e a próxima nota Dó (Dó maior) apresentam sons parecidos, mas não idênticos. É possível utilizar programas computacionais para expressar o formato dessas ondas sonoras em cada uma das situações como apresentado nas figuras, em que estão indicados intervalos de tempo idênticos (T).

A razão entre as frequências do Dó central e do Dó maior é de:
Provas
Questão presente nas seguintes provas
Na produção social que os homens realizam, eles entram em determinadas relações indispensáveis e independentes de sua vontade; tais relações de produção correspondem a um estágio definido de desenvolvimento das suas forças materiais de produção. A totalidade dessas relações constitui a estrutura econômica da sociedade — fundamento real, sobre o qual se erguem as superestruturas política e jurídica, e ao qual correspondem determinadas formas de consciência social.
MARX, K. Prefácio à Crítica da economia política. In: MARX, K.; ENGELS, F. Textos 3. São Paulo: Edições Sociais, 1977 (adaptado).
Para o autor, a relação entre economia e política estabelecida no sistema capitalista faz com que
Provas
Questão presente nas seguintes provas
De ponta a ponta, é tudo praia-palma, muito chã e muito formosa. Pelo sertão nos pareceu, vista do mar, muito grande, porque, a estender olhos, não podíamos ver senão terra com arvoredos, que nos parecia muito longa. Nela, até agora, não pudemos saber que haja ouro, nem prata, nem coisa alguma de metal ou ferro; nem lho vimos. Porém a terra em si é de muito bons ares [...]. Porém o melhor fruto que dela se pode tirar me parece que será salvar esta gente.
Carta de Pero Vaz de Caminha. In: MARQUES, A.; BERUTTI, F.; FARIA, R. História moderna através de textos. São Paulo: Contexto, 2001.
A carta de Pero Vaz de Caminha permite entender o projeto colonizador para a nova terra. Nesse trecho, o relato enfatiza o seguinte objetivo:
Provas
Questão presente nas seguintes provas
After prison blaze kills hundreds in Honduras, UN warns on overcrowding
15 February 2012
A United Nations human rights official today called on Latin American countries to tackle the problem of prison overcrowding in the wake of an overnight fire at a jail in Honduras that killed hundreds of inmates. More than 300 prisoners are reported to have died in the blaze at the prison, located north of the capital, Tegucigalpa, with dozens of others still missing and presumed dead. Antonio Maldonado, human rights adviser for the UN system in Honduras, told UN Radio today that overcrowding may have contributed to the death toll. “But we have to wait until a thorough investigation is conducted so we can reach a precise cause,” he said. “But of course there is a problem of overcrowding in the prison system, not only in this country, but also in many other prisons in Latin America.”
Disponível em: www.un.org. Acesso em: 22 fev. 2012 (adaptado).
Os noticiários destacam acontecimentos diários, que são veiculados em jornal impresso, rádio, televisão e internet. Nesse texto, o acontecimento reportado é a
Provas
Questão presente nas seguintes provas
Cadernos
Caderno Container