Foram encontradas 185 questões.
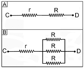
O adaptador de tomada tipo T (Figura 1) é um acessório utilizado em domicílios para ligar vários aparelhos eletrodomésticos em uma única tomada. Conectar três aparelhos de alta potência em um mesmo adaptador pode superaquecê-lo e, consequentemente, provocar um incêndio. O circuito da Figura 2A representa um aparelho de resistência elétrica R ligado ao adaptador de resistência elétrica r. Na Figura 2B está representado um circuito com três aparelhos de resistência elétrica R ligados ao mesmo adaptador. Em ambos os circuitos, os pontos C e D são os terminais de uma mesma tomada elétrica. Considere todos os resistores ôhmicos.

Figura 1

Figura 2
Comparando-se a Figura 2B com a Figura 2A, verifica-se que o possível superaquecimento do adaptador de tomada acontece em decorrência do aumento da
Provas
Constantinopla, aquela cidade vasta e esplêndida, com toda a sua riqueza, sua ativa população de mercadores e artesãos, seus cortesãos em seus mantos civis e as grandes damas ricamente vestidas e adornadas, com seus séquitos de eunucos e escravos, despertaram nos cruzados um grande desdém, mesclado a um desconfortável sentimento de inferioridade.
RUNCIMAN, S. A Primeira Cruzada e a fundação do Reino de Jerusalém.
Rio de Janeiro: Imago, 2003 (adaptado).
A reação dos europeus quando defrontados com essa cidade ocorreu em função das diferenças entre Oriente e Ocidente quanto aos(às)
Provas
A década que se segue ao fim da guerra constitui praticamente uma continuação desta com a acomodação difícil de seus resultados. A ruptura do sistema internacional com a Revolução Soviética, a ascensão dos Estados Unidos, o recuo da Europa e o início da contestação anticolonial marcam uma década que para muitos foi de pessimismo e para alguns de ilusão, que bruscamente se encerra com a quebra da bolsa de Nova Iorque. Com a crise de 1929 terá início a preparação de uma nova guerra mundial.
VIZENTINI, P. G. F. Primeira Guerra Mundial. Porto Alegre: UFRGS, 2006 (adaptado).
Os eventos mencionados no texto contribuíram fortemente para a ascensão de regimes propensos a um novo conflito armado, pois
Provas
Na maior parte da América Latina, os museus surgiram no século passado, fundados com a intenção de "civilizar", ou seja, de trazer para o Novo Mundo os padrões científicos e culturais das nações colonizadoras. Os museus seriam, dessa forma, instituições transplantadas, criadas dentro dos ideais positivistas de progresso. Não por acaso, ficaram, em sua maior parte, sujeitos aos moldes clássicos, a partir da valorização de aspectos da cultura erudita, fortemente associados à elite. Era necessário, pois, assumir uma função social de maior alcance e ocupar um espaço relevante, capaz de atrair grande quantidade de público.
BARRETO, M. Turismo e legado cultural. Campinas: Papirus, 2002 (adaptado).
A transformação de um número cada vez mais expressivo de museus latino-americanos em espaços destinados a atividades lúdicas e reflexivas está associada ao rompimento com o(a)
Provas

Disponível em: www.comunicaquemuda.com.br. Acesso em: 9 dez. 2017.
A fim de contribuir para a diminuição do número de acidentes de trânsito, essa campanha
Provas
A perfuração de poços para a extração de petróleo causa soterramento do leito submarino, contaminação química e aumento da turbidez da água. Além disso, o vazamento desses hidrocarbonetos gera efeitos adversos, em especial no metabolismo de organismos aquáticos, influenciando as cadeias alimentares de ecossistemas marinhos. Essas consequências negativas advêm das propriedades do petróleo, uma mistura oleosa de substâncias orgânicas, de coloração escura e menos densa que a água.
A consequência do vazamento dessa mistura na produtividade primária do ecossistema é o(a)
Provas
O jovem que nasceu e cresceu sob a ditadura perdeu muitos contatos com a realidade e com a história como processo vivo. Mas conheceu em sua carne o que é a opressão e como a repressão institucional (às vezes inconsciente e definitiva, dentro da família, da escola etc.) é odiosa. Essa é uma riqueza ímpar. O potencial radical de um jovem — pobre, de pequena burguesia ou “rico” — que sofre prolongadamente uma experiência dessas, constitui um agente político valioso. Ele está “embalado” para rejeitar e combater a opressão sistemática e a repressão dissimulada, o que o converte em um ser político inconformista promissor.
FERNANDES, F. O dilema político dos jovens. In: Florestan Fernandes na constituinte:
leituras para reforma política. São Paulo: Expressão Popular, 2014.
No contexto mencionado, Florestan Fernandes tematiza um efeito inesperado do exercício do poder político decorrente da
Provas
Os objetos de prata tendem a escurecer com o tempo, em contato com compostos de enxofre, por causa da formação de uma película superficial de sulfeto de prata (Ag2S), que é escuro. Um método muito simples para restaurar a superfície original desses objetos é mergulhá-los em uma solução diluída aquecida de hidróxido de sódio (NaOH), contida em uma panela comum de alumínio. A equação química que ilustra esse processo é:
3 Ag2S (s) + 2 Al (s) + 8 NaOH (aq) !$ \rightarrow !$ 6 Ag (s) + 3 Na2S (aq) + 2 NaAlO2 (aq) + 4 H2O (l)
A restauração do objeto de prata ocorre por causa do(a)
Provas

Disponível em: www.ricmais.com.br. Acesso em: 10 nov. 2011 (adaptado).
De acordo com as intenções comunicativas e os recursos linguísticos que se destacam, determinadas funções são atribuídas à linguagem. A função que predomina nesse texto é a conativa, uma vez que ele
Provas

DAVID, J-L. A coroação de Napoleão (detalhe). Óleo sobre tela, 621 x 979 cm. Louvre, França, 1807.
Disponível em: http://theweddingtiara.com. Acesso em: 8 abr. 2015.
O gesto representado no quadro simboliza uma diferença entre o império napoleônico e a monarquia absolutista, por
Provas
Caderno Container