Foram encontradas 1.580 questões.
Um óleo para motor de combustão interna apresenta a seguinte especificação 0w20 SL. Sobre essa especificação, assinale a alternativa correta.
Provas
Um dos critérios de escolha de processos de fabricação de peças mecânicas é a geometria da peça que será fabricada. O processo de fabricação mais utilizado para a fabricação de tubos de cobre de pequeno diâmetro é a
Provas
Um mecânico desmontou o cabeçote de um motor de combustão interna de ciclo Otto de 8 válvulas para fazer a manutenção. Na remontagem, ele necessita saber se as válvulas estão em sincronismo em relação à sequência de explosões. Sabendo-se que esse motor tem a sequência de explosões 1342, ele girou a polia de acionamento do eixo do comando de válvulas deixando a válvula de admissão do cilindro 1 totalmente aberta; neste ponto, a outra válvula do motor que deve estar totalmente aberta é a válvula de
Provas
Assinale a alternativa que apresenta a definição mais precisa do objetivo principal da manutenção preditiva.
Provas
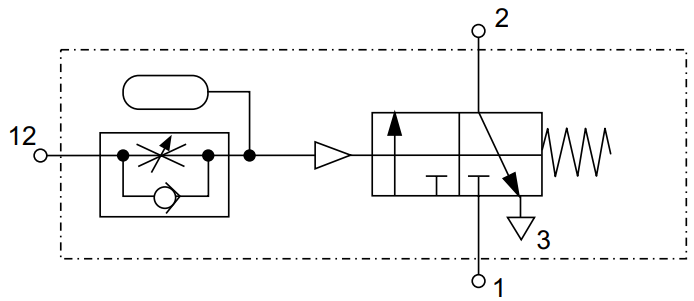
Nos circuitos pneumáticos são utilizados diferentes tipos de válvulas para controlar o movimento dos atuadores.

Na figura, qual o tipo de válvula representada?
Provas
Para a especificações de aços no Brasil, utiliza-se a norma ABNT, segundo a qual um aço ABNT 1030 é um aço
Provas
Um dos processos de soldagem mais utilizados nas indústrias é o processo TIG. Em relação a esse processo, assinale a alternativa correta.
Provas
Um cilindro hidráulico deverá se deslocar com uma velocidade constante de 0,2 m/s por um comprimento de 180 mm. Sabe-se que o sistema opera com uma pressão de 200 bar, a vazão da bomba é 12 L/min, e o rendimento global do sistema é de 90%.
Qual deverá ser a potência necessária do motor elétrico da bomba do circuito para esse deslocamento?
Provas
Nas linhas de ar comprimido industriais, são utilizadas unidades de conservação. Uma das finalidades dessas unidades é
Provas
O diagrama teórico P-V de um motor de 4 tempos está ilustrado na figura a seguir.

O trecho compreendido entre os pontos 2-3 corresponde à seguinte etapa do ciclo:
Provas
Caderno Container