Foram encontradas 30 questões.
Analise a figura abaixo.

É correto afirmar que, para esse circuito eletrônico representar corretamente um integrador, deve ser inserido, entre os pontos “A” e “B”, um
Provas
Em máquinas rotativas, na maioria dos casos, o estator e o rotor são feitos de aço elétrico de material de alta magnética. Essa propriedade do material maximiza o acoplamento entre as bobinas e a densidade de energia magnética associada com a interação eletromecânica. O fluxo magnético, que varia em função do tempo, existente nas estruturas da armadura dessas máquinas, tende a induzir correntes elétricas, conhecidas como correntes , no aço elétrico. Essas correntes elétricas podem ser uma fonte de perdas em eficiência elétrica devido à geração de calor.
Assinale a alternativa que completa correta e respectivamente as lacunas da frase acima.
Provas
Em máquinas rotativas, são geradas tensões elétricas induzidas por campos magnéticos variáveis no tempo. Denominando-se o fluxo magnético concatenado por λ, a tensão elétrica induzida por V, e o tempo por t, pode-se afirmar que a equação que relaciona corretamente essas variáveis é dada por
Provas
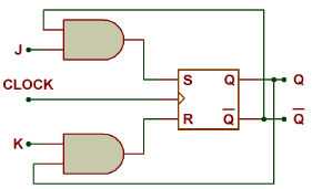
Analise a figura abaixo.

Considere o circuito eletrônico completo. Pode-se afirmar corretamente que o circuito completo apresentado é um flip-flop
Provas
Considere uma máquina CA (corrente alternada) síncrona. Este tipo de máquina pode ter mais de dois polos, sendo então nesse caso composta de múltiplos polos. A tensão elétrica de uma bobina desse tipo de máquina passa por um ciclo completo toda vez que um par de polos passa pela bobina.
Definindo-se por fc a frequência da tensão elétrica gerada por essa máquina, por n a velocidade mecânica em rotações por minuto desta mesma máquina e por p o número de polos, é correto afirmar que a equação que determina corretamente fc, em Hz, é dada por
Provas
Um capacitor apresenta uma capacidade de armazenamento de cargas elétricas denominada capacitância. Representando-se a capacitância por C, dada em Farad, a carga elétrica armazenada por q, dada em Coulomb, e a diferença de potencial entre as placas do capacitor por V, dada em Volt, é correto afirmar que a relação entre estas três grandezas é dada pela equação
Provas
Analise o circuito de um transformador de tensão elétrica monofásico ideal apresentado na figura abaixo.

A tensão elétrica do primário, a tensão elétrica do secundário, o número de espiras do primário e o número de espiras do secundário são denotados por, respectivamente, V1, V2, N1 e N2. Considere que nesse transformador a relação entre V2 e V1 é dada pela equação
\( V_2 = { \Large { \sqrt{3} \over 2}} V_1 \)
A partir disso, assinale a equação que representa corretamente a relação entre N1 e N2.
Provas
Analise a figura abaixo.

Cada um dos resistores denotados por R1 e R2 tem seu valor representado por “et”, sendo “e” o algarismo neperiano arredondado para 2,72. Considere “t” um número real constante adimensional. O valor correto do resistor equivalente entre os pontos A e B é
Provas
Analise a figura abaixo.

Cada um dos capacitores denotados por C1, C2 e C3 tem seu valor apresentado em função de x. Considere x > 0.
Assinale abaixo a equação que representa corretamente a capacitância equivalente entre os pontos A e B em função de x.
Provas
Analise a figura abaixo.

A equação que representa corretamente a relação entre a saída, denotada por S, e as entradas, denotadas por A e B, desse bloco lógico, é
Provas
Caderno Container